XS4P
-
XS4P
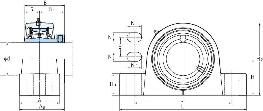
■軸受ユニット:XS4Pタイプ
・XS4Pは同ハウジングに同心カラーと120度の間隔に配置された止めねじで固定する自動調心ころ軸受との組み合わせです。
■自動調心ころ軸受ユニット
・アメリカ国内において長い歴史のある一体形タイプの自動調心ころ軸受ユニットは、幅広い過酷な使用条件に適応します。
・日本国内ではまだまだ馴染みが少ない一体形ユニットですが、従来から使われているプランマブロックに比べて調心角度の大きさ、取り付けやすさ、メンテナンスの便利さなど、多くのメリットがあります。
・高品質な材料のみを使用して軸受、ハウジング共にFYH自社で生産する高強度なこのユニットには“エクストラタフ”(更に強い)というシリーズ名が付いています。
■XS(止めねじ)タイプ
・同心カラーと2本の止めねじで120°の方向から締めつけるXSタイプです。
■潤滑
・FYHローラーグリースはカルシウムスルフォーネートコンプレックスの合成油です。
・耐低高温、耐極圧、耐摩耗性に優れています。
・優れた耐水性能により長期に渡って防錆効果を維持します。
・グリースの使用可能温度:-40℃~170℃
■三重シール
・±2°の調心可能角度を持つ三重シールはあらゆる軸の角度変化に対応しシールリングと呼ばれる特殊なリングと常に均等な力で接触します。
・この特許取得のシールデザインで様々な汚れや埃から軸受を保護し、劇的にその寿命を延ばします。
■裏ベタハウジング
・一体型ダクタイル鋳鉄ハウジングは一般的なねずみ鋳鉄より約2倍の強度があり、裏ベタのデザインは取り付けの強度と共に高荷重に耐えます。
■固定タイプと可動タイプ
・固定タイプと可動タイプはタグの色によって区別されます。(青色が固定タイプ、赤色は可動タイプ)
・ユニットの裏側にあるスナップリングを移動させることによって、簡単に固定タイプから可動タイプに変更することが出来ます。

