ZKFL
-
ZKFL
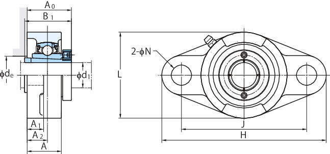
■軸受ユニット:ZKFSタイプ
・ZKFSは四角形のフランジおよび取付け面に印ろうを持つ軸受箱を組み合わせたユニットです。
・印ろう部を取付け穴にはめ込むことで、軸受箱を正確な位置に取付けることが出来ます。
■インサート軸受:UK形
・UK形軸受は給油機構を備え球状外径面の外輪とテーパ穴内輪を持つ、シールとスリンガが付くグリース密封形深溝玉軸受です。
・アダプタスリーブを用いて軸に固定するタイプです。
・アダプタスリーブが軸の全周を包み込んで確実に固定します。
■Z LOCKシリーズ(ZKアダプタスリーブ)
・ZKは、革命的なロッキングシステムであるZロック(特許取得済)の玉軸受バージョンです。
・新シリーズのZKは、現行のUKテーパ穴軸受とアダプタに替わる、FYHオリジナルのZロックスリーブを組み合わせたユニットです。
・従来のUKユニットは軸受とアダプタが別々で出荷されていましたが、ZKは組み立て済みで工場から出荷されますので、箱から出してすぐに使用可能です。
・ZKの取り付けは画期的で、六角レンチ1本で2箇所の止めねじを手で締め付けるだけです。
・トルクレンチも必要なく締めすぎによる軸受内部のすきまへの影響もありません。

