420JR-RBB125
-
420JR-RBB125
-
413JR-UBB150
・旋回式キャスター420J/413Jと併用できる強靭な固定式キャスターです。
・車輪はラジアルボールベアリング入りです。
・413JRの左レバーもできます。別途ご用命ください。
・スチール製
・RoHS適合品
<使用例>
・機械の移動や重量物運搬用として多く使用されています。
ハンマーキャスター
420JR-RBB125
420JR-RBB125
413JR-UBB150
・旋回式キャスター420J/413Jと併用できる強靭な固定式キャスターです。
・車輪はラジアルボールベアリング入りです。
・413JRの左レバーもできます。別途ご用命ください。
・スチール製
・RoHS適合品
<使用例>
・機械の移動や重量物運搬用として多く使用されています。
12件の型式
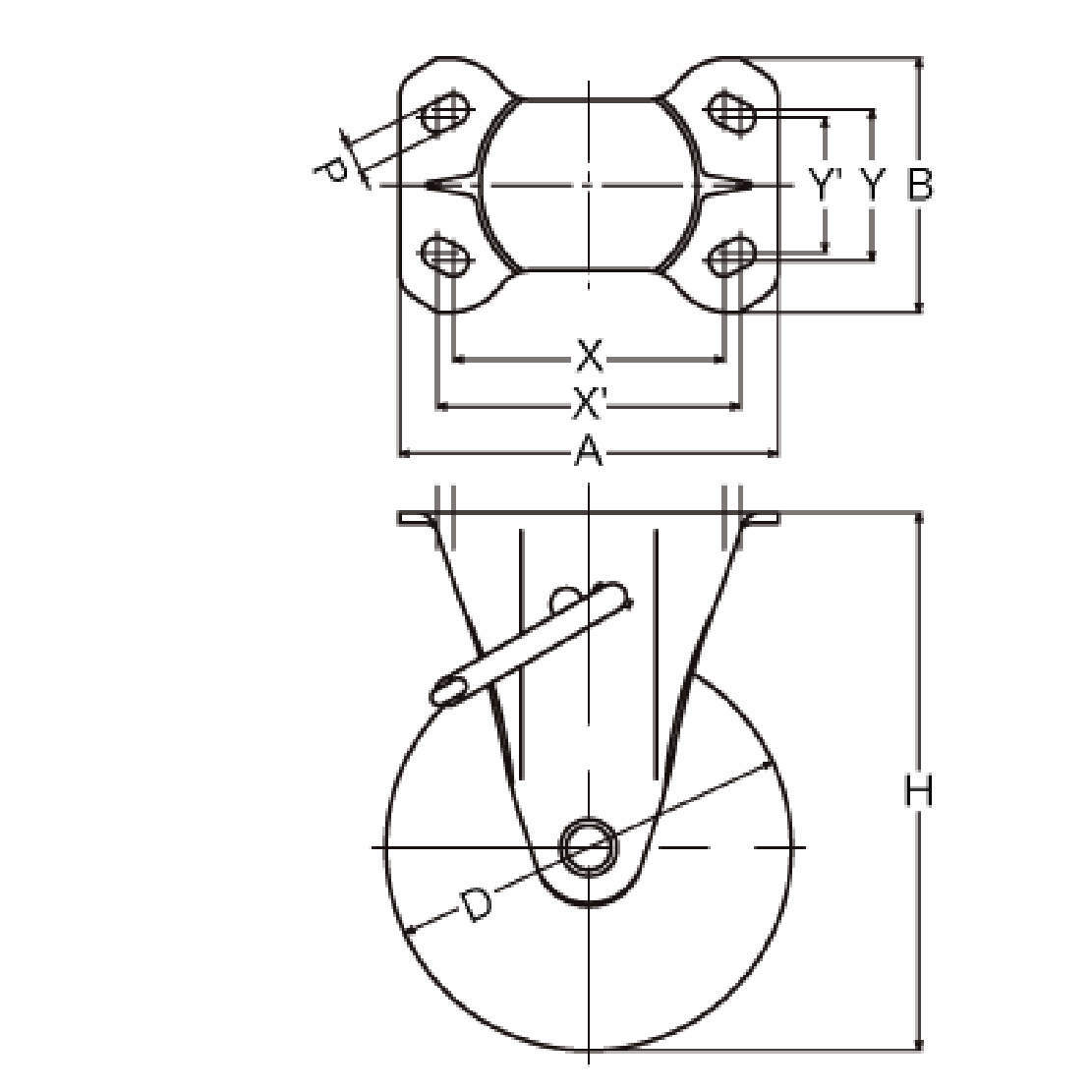
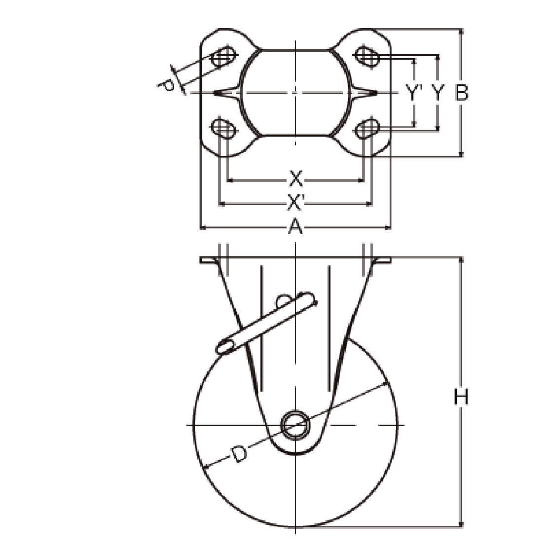
| 型式 | タイプ |
車輪径 D (mm) |
車幅 (mm) |
車輪構成 |
許容荷重 1個 (daN) |
取付高 H (mm) |
取付座 A×B (mm) |
取付寸法 |
取付穴径 P (mm) |
使用車輪記号 | |
|---|---|---|---|---|---|---|---|---|---|---|---|
| X×Y (mm) | X'×Y' (mm) | ||||||||||
| 420JR-RBB100 | 固定 | 100 | 32 | ゴム車輪 スチールホイール ラジアルボールベアリング | 140 | 140 | 110×78 | 80×45 | - | 11 | 435S-RBB |
| 420JR-RBB125 | 固定 | 125 | 38 | ゴム車輪 スチールホイール ラジアルボールベアリング | 200 | 174 | 140×94 | 100×56 | 112×50 | 11 | 435S-RBB |
| 420JR-RBB150 | 固定 | 150 | 40 | ゴム車輪 スチールホイール ラジアルボールベアリング | 220 | 199 | 140×94 | 100×56 | 112×50 | 11 | 435S-RBB |
| 420JR-UBB100 | 固定 | 100 | 32 | ウレタン車輪(熱硬化性)スチールホイール ラジアルボールベアリング | 140 | 140 | 110×78 | 80×45 | - | 11 | 423S-UBB |
| 420JR-UBB125 | 固定 | 125 | 38 | ウレタン車輪(熱硬化性)スチールホイール ラジアルボールベアリング | 200 | 174 | 140×94 | 100×56 | 112×50 | 11 | 423S-UBB |
| 420JR-UBB150 | 固定 | 150 | 40 | ウレタン車輪(熱硬化性)スチールホイール ラジアルボールベアリング | 220 | 199 | 140×94 | 100×56 | 112×50 | 11 | 423S-UBB |
| 413JR-RBB100 | 固定・ストッパー付き | 100 | 32 | ゴム車輪 スチールホイール ラジアルボールベアリング | 140 | 140 | 110×78 | 80x45 | - | 11 | 435S-RBB |
| 413JR-RBB125 | 固定・ストッパー付き | 125 | 38 | ゴム車輪 スチールホイール ラジアルボールベアリング | 200 | 174 | 140x94 | 100x56 | 112x50 | 11 | 435S-RBB |
| 413JR-RBB150 | 固定・ストッパー付き | 150 | 40 | ゴム車輪 スチールホイール ラジアルボールベアリング | 220 | 199 | 140x94 | 100x56 | 112x50 | 11 | 435S-RBB |
| 413JR-UBB100 | 固定・ストッパー付き | 100 | 32 | ウレタン車輪(熱硬化性)スチールホイール ラジアルボールベアリング | 140 | 140 | 110x78 | 80x45 | - | 11 | 423S-UBB |
| 型式 | 商品コード | 単位 |
価格 (円) |
基準納期 | |
|---|---|---|---|---|---|
| 日伝 | メーカー | ||||
| 420JR-RBB100 | 420JR-RBB100 | P | 2,320 | 在庫品 | 在庫品 |
| 420JR-RBB125 | 420JR-RBB125 | P | 3,170 | 在庫品 | 在庫品 |
| 420JR-RBB150 | 420JR-RBB150 | P | 3,660 | 在庫品 | 在庫品 |
| 420JR-UBB100 | 420JR-UBB100 | P | 3,230 | 在庫品 | 在庫品 |
| 420JR-UBB125 | 420JR-UBB125 | P | 4,420 | 在庫品 | 在庫品 |
| 420JR-UBB150 | 420JR-UBB150 | P | 5,650 | 在庫品 | 在庫品 |
| 413JR-RBB100 | 413JR-RBB100 | P | 2,930 | - | 5日間 |
| 413JR-RBB125 | 413JR-RBB125 | P | 3,770 | - | 5日間 |
| 413JR-RBB150 | 413JR-RBB150 | P | 4,260 | - | 5日間 |
| 413JR-UBB100 | 413JR-UBB100 | P | 4,080 | - | 5日間 |
製品についてのご質問やお困りごとなどお気軽にご相談ください!