420JRP-UBB125
-
420JRP-UBB125
-
413JRP-RBB150
-
413JRP-RBB150 左レバー(特注)
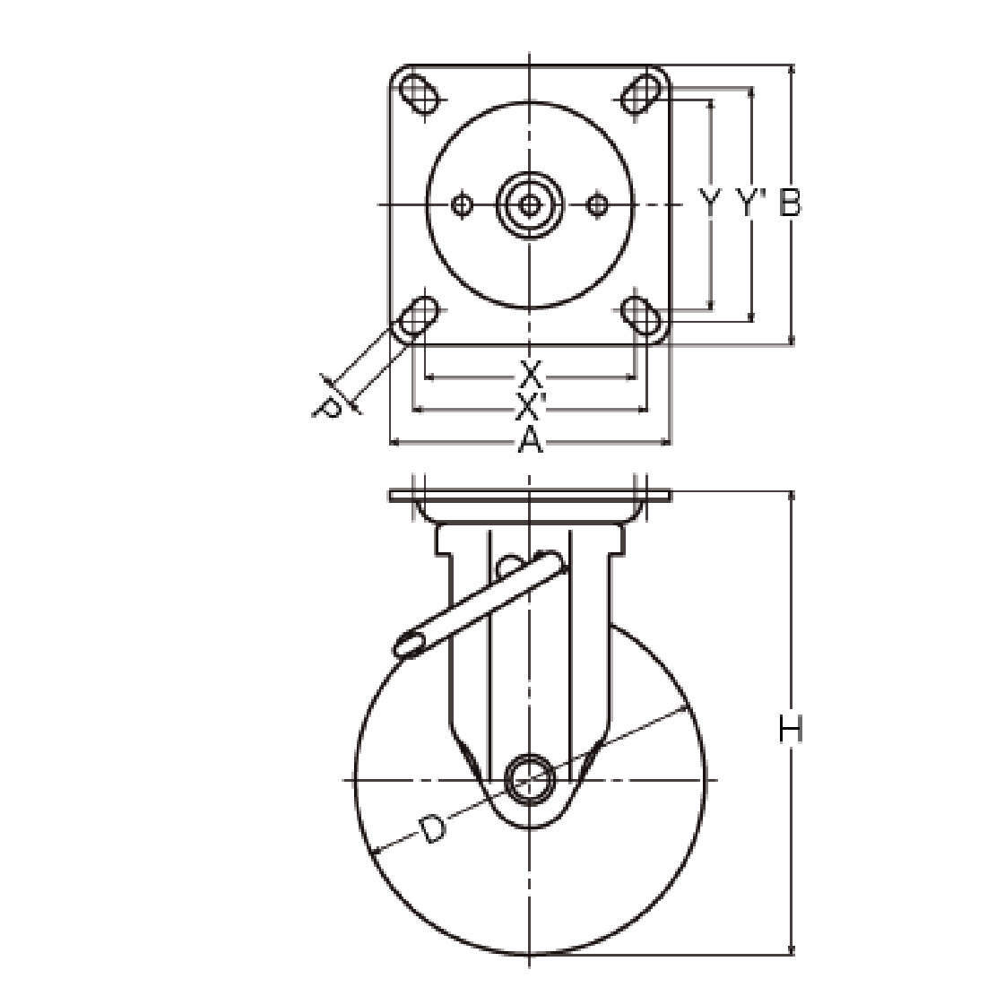
・旋回式キャスター420J/413Jと併用できる強靭な固定式キャスターです。
・420JRP/413JRPは旋回式キャスター420J/413Jと取付け寸法が同じです。
・車輪はラジアルボールベアリング入りです。
・413JRPの左レバーもできます。別途ご用命ください。
・スチール製
・RoHS適合品
<使用例>
・機械の移動や重量物運搬用として多く使用されています。

