540S0S-NRB75
-
540S0S-NRB75
-
545S0S-NRB75
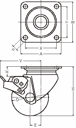
・耐蝕性・耐水性に優れた低床式重荷重用オールステンレスキャスターです。
・コンパクト設計で取付高さが低く、重荷重に対する耐久性に優れ(許容荷重300daN)、車輪の回転が円滑です。
・ナイロン車輪は特殊ナイロンのため、重荷重で長時間固定されても歪みが残りません。
・BAU車の50mmは製作できません。
注)走行スピード2km/h以下でご使用ください。
・ステンレス製
・RoHS適合品
<使用例>
・クリーンルーム等の錆や腐蝕をきらう環境で使用される半導体製造装置等の機器に最適です。

