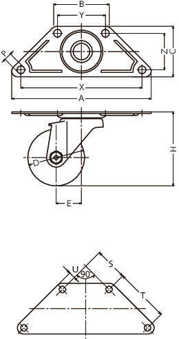
220S0S-R65
-
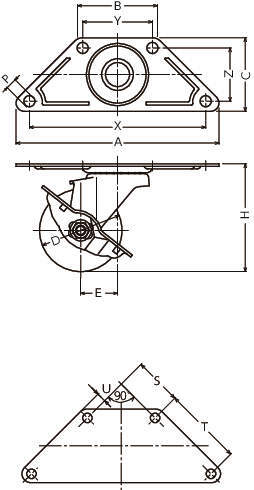
220S0S-R65
-
213S0S-N65
耐蝕性、耐水性に優れたオールステンレス製!
・耐蝕性・耐水性に優れたオールステンレスコーナーキャスターです。
・220S/213S-50mm~75mmのオールステンレスキャスターです。
・オールステンレスコーナーキャスターは他に220S0E/215S0Eがあります。
・ステンレス製
・RoHS適合品
<使用例>
・食品会社や厨房等の錆や腐蝕をきらう環境で使用されるワゴンや機器等に最適です。

