モノづくりの困ったを解決する総合サイト

Produced by

ハンマーキャスター

ハンマーキャスター(ショッピングカート用キャスター) 740M・740MR・740MA・735MA

740M-FR100

  • 740M-FR100

  • 740MP-CLB125

  • 740MA-FR100

  • 735MR-CLB125

軽量ボディで軽快走行! ショッピングカートに活躍します。

・ラジアルボールベアリング採用で抜群の走行性能を発揮するショッピングカート用キャスターです。

・RoHS適合品

<使用例>
・ショッピングモールなどで、長期にわたり良好な車輪回転で活躍します。

#キャスター

詳細仕様

  • 16件中 1-10件

  • 表示件数

16件の型式

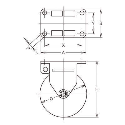
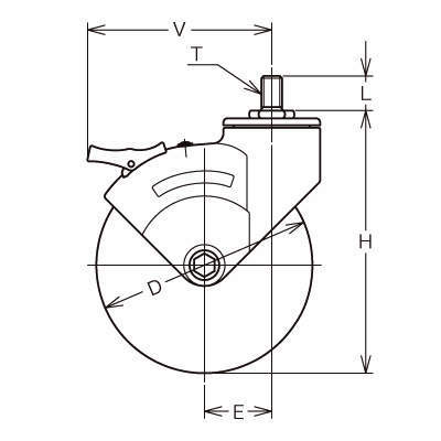
型式 タイプ 車輪径
D
(mm)
車幅
(mm)
車輪構成 許容荷重
1個
(daN)
取付高
H
(mm)
取付座
A×B
(mm)
取付寸法 取付穴径
P
(mm)
ねじ
T
(mm)
軸長
L
(mm)
V
(mm)
偏心
E
(mm)
旋回半径
(mm)
X×Y (mm) X'×Y' (mm)
740M-FR100 旋回 100 30 ゴム車輪 PPホイール ラジアルボールベアリング 50 123 100×58 82×40 - 8.8 - - - 32 83
740M-FR125 旋回 125 32 ゴム車輪 PPホイール ラジアルボールベアリング 80 150 120×100 80×80 100×56 11 - - - 39 103
740M-CLB100 旋回 100 27 エラストマー車輪 PPホイール ラジアルボールベアリング 50 123 100×58 82×40 - 8.8 - - - 32 83
740M-CLB125 旋回 125 32 エラストマー車輪 PPホイール ラジアルボールベアリング 80 150 120×100 80×80 100×56 11 - - - 39 103
740MR-FR100 固定 100 30 ゴム車輪 PPホイール ラジアルボールベアリング 50 123 100×58 82×40 - 8.8 - - - - -
740MR-FR125 固定 125 32 ゴム車輪 PPホイール ラジアルボールベアリング 80 150 120×100 80×80 100×56 11 - - - - -
740MR-CLB100 固定 100 27 エラストマー車輪 PPホイール ラジアルボールベアリング 50 123 100×58 82×40 - 8.8 - - - - -
740MR-CLB125 固定 125 32 エラストマー車輪 PPホイール ラジアルボールベアリング 80 150 120×100 80×80 100×56 11 - - - - -
740MA-FR100 旋回 100 30 ゴム車輪 PPホイール ラジアルボールベアリング 50 126 - - - - M12×1.75 20 - 32 83
740MA-FR125 旋回 125 32 ゴム車輪 PPホイール ラジアルボールベアリング 80 152 - - - - M12×1.75 20 - 39 103

型式 商品コード 単位 価格
(円)
基準納期
日伝 メーカー
740M-FR100 740M-FR100 P 1,210 - 5日間
740M-FR125 740M-FR125 P 2,080 - 5日間
740M-CLB100 740M-CLB100 P 1,180 - 5日間
740M-CLB125 740M-CLB125 P 2,010 - 5日間
740MR-FR100 740MR-FR100 P 1,180 - 5日間
740MR-FR125 740MR-FR125 P 1,490 - 5日間
740MR-CLB100 740MR-CLB100 P 1,110 - 5日間
740MR-CLB125 740MR-CLB125 P 1,490 - 5日間
740MA-FR100 740MA-FR100 P 1,080 - 5日間
740MA-FR125 740MA-FR125 P 1,850 - 5日間

この製品を見た人はこのような製品も見ています

1952年設立で、動力伝導機器・産業機器・制御機器等の機械設備及び機械器具関連製品の販売をしている専門総合商社です。
日本国内で40以上の拠点を持ち、信頼性の高い製品と技術力で、全国のものづくりに携わる方々のあらゆるお困りごとを解決しています。

Loading...