940MR-FR100
-
940MR-FR100
-
935MR-UZ125
バネの力で振動・衝撃を吸収。クッションキャスターMタイプ。
・凹凸路面での振動や衝撃を吸収することができるクッションキャスターです。
・スチール製
・RoHS適合品
<使用例>
・クリーンルームや病院等の振動や衝撃をきらう環境で使用される半導体関連機器・精密機器及び医療機器に最適です。
ハンマーキャスター
940MR-FR100
940MR-FR100
935MR-UZ125
・凹凸路面での振動や衝撃を吸収することができるクッションキャスターです。
・スチール製
・RoHS適合品
<使用例>
・クリーンルームや病院等の振動や衝撃をきらう環境で使用される半導体関連機器・精密機器及び医療機器に最適です。
56件の型式
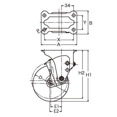
| 型式 | タイプ |
車輪径 D (mm) |
車幅 (mm) |
車輪構成 |
円錐バネ 線径 (mm) |
設定荷重 (daN/1個) |
取付高 H1~H2 (mm) |
取付座 A×B (mm) |
取付寸法 X×Y (mm) |
取付穴径 P (mm) |
V(mm) | K(mm) |
偏心 E1~E2 (mm) |
使用車輪記号 |
|---|---|---|---|---|---|---|---|---|---|---|---|---|---|---|
| 940MR-FR1002.0 | 旋回 | 100 | 27 | ゴム車輪 ナイロンホイール ラジアルボールベアリング | 2 | 6 | 143~135 | 100×65 | 82×40 | 8.8 | - | - | 30~33 | 434E-FR |
| 940MR-FR1002.3 | 旋回 | 100 | 27 | ゴム車輪 ナイロンホイール ラジアルボールベアリング | 2.3 | 12 | 143~135 | 100×65 | 82×40 | 8.8 | - | - | 30~33 | 434E-FR |
| 940MR-FR1002.6 | 旋回 | 100 | 27 | ゴム車輪 ナイロンホイール ラジアルボールベアリング | 2.6 | 18 | 143~135 | 100×65 | 82×40 | 8.8 | - | - | 30~33 | 434E-FR |
| 940MR-FR1002.9 | 旋回 | 100 | 27 | ゴム車輪 ナイロンホイール ラジアルボールベアリング | 2.9 | 24 | 143~135 | 100×65 | 82×40 | 8.8 | - | - | 30~33 | 434E-FR |
| 940MR-FR1003.2 | 旋回 | 100 | 27 | ゴム車輪 ナイロンホイール ラジアルボールベアリング | 3.2 | 30 | 143~135 | 100×65 | 82×40 | 8.8 | - | - | 30~33 | 434E-FR |
| 940MR-FR1003.4 | 旋回 | 100 | 27 | ゴム車輪 ナイロンホイール ラジアルボールベアリング | 3.4 | 40 | 143~135 | 100×65 | 82×40 | 8.8 | - | - | 30~33 | 434E-FR |
| 940MR-FR1003.8 | 旋回 | 100 | 27 | ゴム車輪 ナイロンホイール ラジアルボールベアリング | 3.8 | 50 | 143~135 | 100×65 | 82×40 | 8.8 | - | - | 30~33 | 434E-FR |
| 940MR-FR1252.0 | 旋回 | 125 | 27 | ゴム車輪 ナイロンホイール ラジアルボールベアリング | 2 | 6 | 169~160 | 100×65 | 82×40 | 8.8 | - | - | 34~39 | 434E-FR |
| 940MR-FR1252.3 | 旋回 | 125 | 27 | ゴム車輪 ナイロンホイール ラジアルボールベアリング | 2.3 | 12 | 169~160 | 100×65 | 82×40 | 8.8 | - | - | 34~39 | 434E-FR |
| 940MR-FR1252.6 | 旋回 | 125 | 27 | ゴム車輪 ナイロンホイール ラジアルボールベアリング | 2.6 | 18 | 169~160 | 100×65 | 82×40 | 8.8 | - | - | 34~39 | 434E-FR |
| 型式 | 商品コード | 単位 |
価格 (円) |
基準納期 | |
|---|---|---|---|---|---|
| 日伝 | メーカー | ||||
| 940MR-FR1002.0 | 940MR-FR1002.0 | P | 8,940 | - | 5日間 |
| 940MR-FR1002.3 | 940MR-FR1002.3 | P | 8,940 | - | 5日間 |
| 940MR-FR1002.6 | 940MR-FR1002.6 | P | 8,940 | - | 5日間 |
| 940MR-FR1002.9 | 940MR-FR1002.9 | P | 8,940 | - | 5日間 |
| 940MR-FR1003.2 | 940MR-FR1003.2 | P | 8,940 | - | 5日間 |
| 940MR-FR1003.4 | 940MR-FR1003.4 | P | 8,940 | - | 5日間 |
| 940MR-FR1003.8 | 940MR-FR1003.8 | P | 8,940 | - | 5日間 |
| 940MR-FR1252.0 | 940MR-FR1252.0 | P | 10,100 | - | 5日間 |
| 940MR-FR1252.3 | 940MR-FR1252.3 | P | 10,100 | - | 5日間 |
| 940MR-FR1252.6 | 940MR-FR1252.6 | P | 10,100 | - | 5日間 |
製品についてのご質問やお困りごとなどお気軽にご相談ください!