542S0H-MCB
-
542S0H-MCB
・MCナイロン車
・イモノと同じように原料を金型の中に流し込んで重合させるモノマー注型ナイロンです。
・金属に代わる高機能性材料として幅広いさまざまなニーズに的確に対応することのできるエンジニアリングプラスチックとして高い評価を得ています。
・耐摩耗性、耐熱性、耐寒性、耐油性等に優れています。
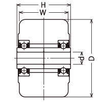
・カバー付き
※ボス幅(H)にはカバーが含まれません。各部の寸法については別途お問い合わせください。
・RoHS適合品

