モノづくりの困ったを解決する総合サイト

Produced by

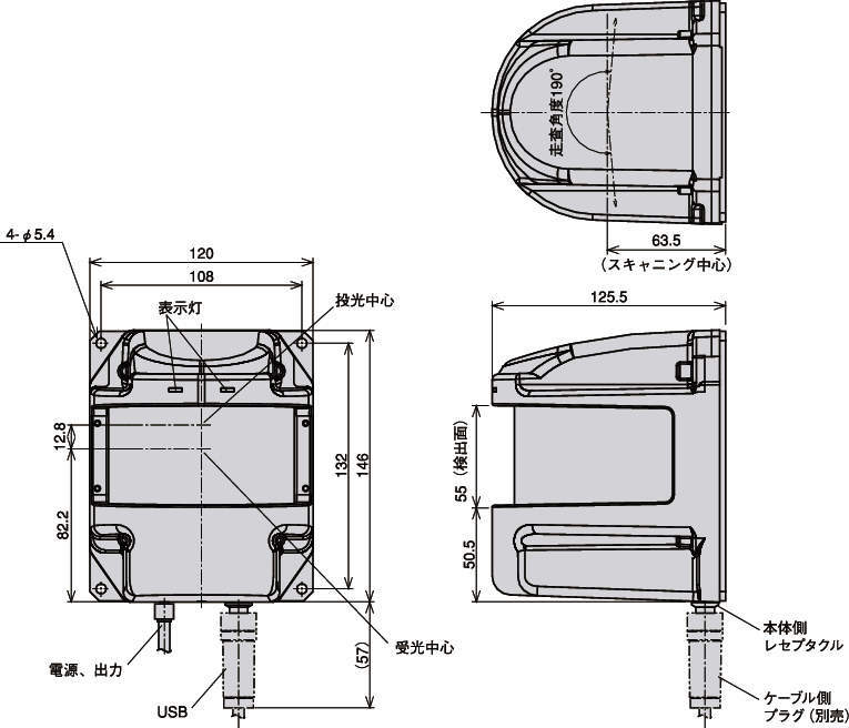
レーザ式測域センサ UXM-30LN-PW(検出エリア設定タイプ)

不安定だった黒色ボディの車も確実検出

・測定原理にはパルス光によるTOF方式を採用しています。
・受光感度のアップにより、苦手な黒色検出性能を大幅に改善。さらに長距離検出が可能になりました。
・電源電圧 DC10~30V。消費電流 250mA以下(DC24V、定常時)。
・建設現場でのレーザバリア等にご検討いただけます。

ON/OFFディレイ設定可能
・速い動きの物体をキャンセルすることができます。

近距離不感帯領域設定機能付
・ほこりや汚れなどを検出しません。

最小検出物設定機能付き。
・小動物や枯葉などを検出しません。

16パターンの検出エリアの切り替えが可能
・検出出力3点と故障出力を搭載しまています。

#測域センサ

共通仕様

種類 検出エリア設定タイプ
電源電圧 DC10~30V
消費電流 定常時:DC10/12V時 500mA以下、DC24V時 250mA以下
起動時:DC10V 2A以下、DC12V 1.5A以下、DC24V 0.75A以下
光源 半導体レーザ λ=905nm (レーザ安全クラス1)
測距原理 Time Of Flight方式(パルス式)
測距範囲 検出保障値:0.1~30m(黒10%反射物500mm)
最大検出距離:100m(出力限界値)
角度:190°
検出物体 5m:65mm、10m:130mm、30m:400mm(いずれも距離に対して最小の検出物)
測距精度 使用周囲照度3000lx以下→0.10~10m:±50mm(500mm以上、黒10%反射物)
使用周囲照度100000lx以下→0.1~30m:±100mm(500mm以上、黒10%反射物)
角度分解能 ステップ角:0.25°(360°/1440分割)
光軸径 10m:50×100mm、20m:100×150mm、30m:150×200mm(W×H、参考値)
走査時間 50ms/scan(モータ回転数1200rpm)
インターフェース USB2.0(Full Speed、12Mbps、エリア設定用)
故障出力、出力1・2・3(Nchオープンドレイン出力 DC30mV 100mA以下)、出力1・2・3:エリア内検出で出力OFF、故障出力:正常動作時出力ON
保護構造 IP67(IEC規格)
ケース材質 ケール前面部:ポリカーボネート
ケース背面部:アルミ
質量 約800g

詳細仕様

  • 1件中 1-1件

  • 表示件数

1件の型式

型式 商品コード 単位 価格
(円)
基準納期
日伝 メーカー
UXM-30LN-PW UXM-30LN-PW P 528,000 - -

この製品を見た人はこのような製品も見ています

1952年設立で、動力伝導機器・産業機器・制御機器等の機械設備及び機械器具関連製品の販売をしている専門総合商社です。
日本国内で40以上の拠点を持ち、信頼性の高い製品と技術力で、全国のものづくりに携わる方々のあらゆるお困りごとを解決しています。

Loading...