モノづくりの困ったを解決する総合サイト

Produced by

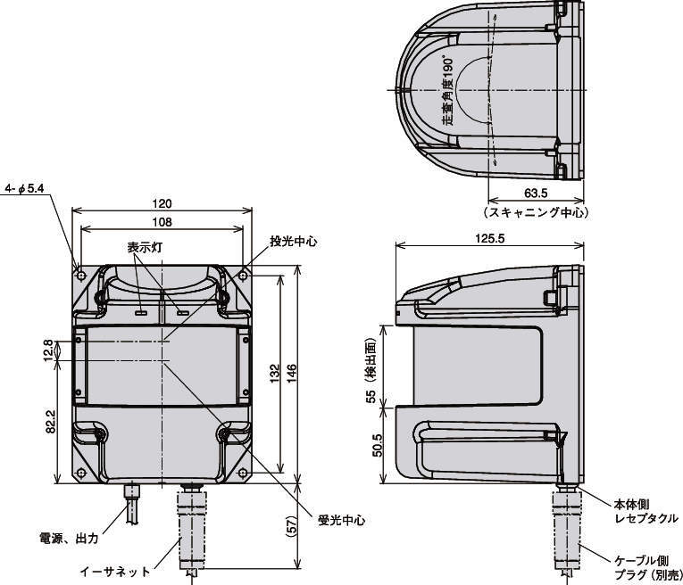
レーザ式測域センサ UXM-30LX-EW(データ出力タイプ)

高感度、反射率10%の物でも30m離れて検出可能

・測定原理にはパルス光によるTOF方式を採用しています。
・受光感度のアップにより、苦手な黒色検出性能を大幅に改善。さらに長距離検出が可能になりました。
・電源電圧 DC10~30V。消費電流 250mA以下(DC24V、定常時)。

イーサーネット100BASE-TX対応
・イーサーネット対応の高速データ出力タイプです。

マルチエコー対応
・屋内外での雪、雨、塵などの浮遊物や全面カバーの分別に有効です。

広範囲の環境形状データ取得が可能
・空間を知能化する環境設置センサとして利用できます。

軽量、1�s以下
・高所に設置する3D環境センサの研究に応用が可能です。

IP67の保護構造
・ほこりや汚れなどを検出しません。

最小検出物設定機能付き。
・小動物や枯葉などを検出しません。

16パターンの検出エリアの切り替えが可能
・検出出力3点と故障出力を搭載しまています。

#測域センサ

共通仕様

種類 データ出力タイプ
電源電圧 DC10~30V
消費電流 定常時:DC10/12V時 500mA以下、DC24V時 250mA以下
起動時:DC10V 2A以下、DC12V 1.5A以下、DC24V 0.75A以下
光源 半導体レーザ λ=905nm (レーザ安全クラス1)
測距原理 Time Of Flight方式(パルス式)
測距範囲 検出保障値:0.1~30m(黒10%反射物500mm)
最大検出距離:100m(出力限界値)
角度:190°
検出物体 5m:65mm、10m:130mm、30m:400mm(いずれも距離における最小値)
測距精度 使用周囲照度3000lx以下→0.1~10m:±50mm(500mm以上、黒10%反射物)
使用周囲照度100000lx以下→0.1~30m:±100mm(500mm以上、黒10%反射物)
角度分解能 ステップ角:0.25°(360°/1440分割)
光軸径 10m:50×100mm、20m:100×150mm、30m:150×200mm(W×H、参考値)
走査時間 50ms/scan
インターフェイス イーサーネット、100BASE-TX(Auto-negotiation)、TCP/IP
故障出力、同期出力(Nchオープンドレイン出力 DC30V 100mA以下)
保護構造 IP67(IEC規格)
ケース材質 ケース前面部・光学窓:ポリカーボネート
ケース背面部:アルミ
質量 約800g(ケーブル含まず)

詳細仕様

  • 1件中 1-1件

  • 表示件数

1件の型式

型式 商品コード 単位 価格
(円)
基準納期
日伝 メーカー
UXM-30LX-EW UXM-30LX-EW P 528,000 - -

この製品を見た人はこのような製品も見ています

1952年設立で、動力伝導機器・産業機器・制御機器等の機械設備及び機械器具関連製品の販売をしている専門総合商社です。
日本国内で40以上の拠点を持ち、信頼性の高い製品と技術力で、全国のものづくりに携わる方々のあらゆるお困りごとを解決しています。

Loading...