-
-
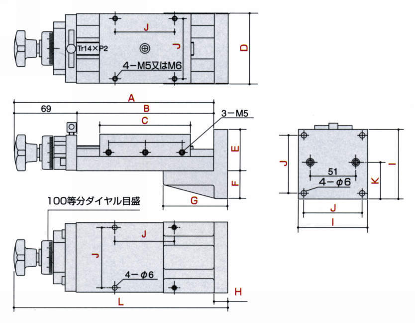
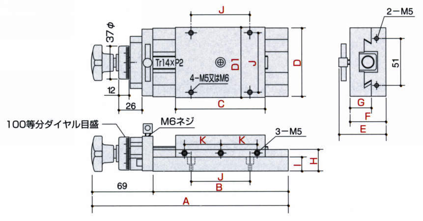
H(一軸用)
-
HW(XY軸用)
-
HZ(上下軸用)
-
HWH(XY軸用テーブル面拡大型)
-
HWH(XY軸用テーブル面拡大型・T溝付)
重量物の微調整、あらゆる機械芯出し、及び、組み込みユニットとして最適のスライドテーブルです
・超薄型スライドテーブル
・鋳物製アリタイプで薄型のため、耐加重に威力を発揮します。
・同タイプを2台組み合わせることにより、簡単にX.Y軸スライドテーブルが、
また、3台組み合わせる場合は、Z軸冶具を使用することで、X.Y.Z軸スライドテーブルができます。
・ストッパー付。
・組み込みユニットとして最適のT溝付スライドテーブルも用意。詳細はお問い合わせください。
共通仕様
| タイプ | Hタイプ:一軸用 HWタイプ:X・Y軸用 HZタイプ:上下軸用 HWH:X・Y軸用テーブル面拡大型 |
|---|

