KSA
-
KSA
-
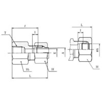
■くいこみ継手の特長
・配管のためのねじ切り、溶接、フレア加工、ろう付などを必要とせず、配管工数を低減できます。
・ねじ切り、溶接を必要としないため管を薄肉にでき(くい込み継手の機構および管の剛性から管肉厚は、その外径寸法の10%以上、外径φ10mm以下の場合には最小1mm必要です)、曲げ加工も容易となるため継手使用総数も少なくなり、機器の軽量化・コンパクト化がはかれます。
・分解・再組立てをくり返し行っても完全な接続が確実に再現できます。
・Oリングなどのシール材を用いないメタル接触シールのため、広い温度範囲にわたって使用できます。
・使用流体・外部雰囲気等に応じて、炭素鋼・ステンレス鋼・黄銅など適切な継手材質を選ぶことができます。
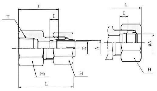
■エンベロープ付きスリーブの特長
・スリーブのエンベロープ部により配管の芯出しが厳密にでき、従来油漏れの一番の原因となっていた芯ズレによるトラブルが大幅に減少します。
・スリット付きのエンベロープ部により耐振性能が向上。従来のNS形くい込み継手に比べ、疲労強度が20%以上向上しています。これにより配管振動による管の破損、ナットの緩みが減少します。
・NS形くい込み継手と本体との互換性がありますので、既設配管の改造・補修も容易です。

