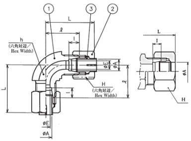
KLA-NNT
-
KLA-NNT
-
■省エネ(NNTの特長)
・従来のエルボは鍛造素材をドリルで直行穴を加工して製作していたため、流体は直行部分で急激な方向転換を余儀なくされ、曲り内部で渦が発生しエネルギーロスとなっておりました。
・この直行する流体穴を滑らかなR曲線にすることにより無駄なエネルギーの発生をなくし圧力損失の低減を図ったものです。(圧力損失が約30%改善)
■低振動、低騒音(NNTの特長)
・流体穴を滑らかなR曲線にすることにより発生するキャビテーションを極限まで抑えることができました。(発生騒音が2~3dB低下)
■金属コンタミ低減(NNTの特長)
・流体穴を滑らかな曲線にすることでバリの発生も無く微小穴回路での切り粉の詰まりの問題も解消されます。
・内面通路穴が高面粗度に仕上がっております。
■くいこみ継手の特長
・配管のためのねじ切り、溶接、フレア加工、ろう付などを必要とせず、配管工数を低減できます。
・ねじ切り、溶接を必要としないため管を薄肉にでき(くい込み継手の機構および管の剛性から管肉厚は、その外径寸法の10%以上、外径φ10mm以下の場合には最小1mm必要です)、曲げ加工も容易となるため継手使用総数も少なくなり、機器の軽量化・コンパクト化がはかれます。
・分解・再組立てをくり返し行っても完全な接続が確実に再現できます。
・Oリングなどのシール材を用いないメタル接触シールのため、広い温度範囲にわたって使用できます。
・使用流体・外部雰囲気等に応じて、炭素鋼・ステンレス鋼・黄銅など適切な継手材質を選ぶことができます。
■エンベロープ付きスリーブの特長
・スリーブのエンベロープ部により配管の芯出しが厳密にでき、従来油漏れの一番の原因となっていた芯ズレによるトラブルが大幅に減少します。
・スリット付きのエンベロープ部により耐振性能が向上。従来のNS形くい込み継手に比べ、疲労強度が20%以上向上しています。これにより配管振動による管の破損、ナットの緩みが減少します。
・NS形くい込み継手と本体との互換性がありますので、既設配管の改造・補修も容易です。

