モノづくりの困ったを解決する総合サイト

Produced by

イハラサイエンス

B-1形銅管用くい込み継手(低圧用)|ティー KT

KT

  • KT

■銅管用くい込み継手
・くい込み継手に関するトップメーカーとして、長年にわたる蓄積された経験にもとづいて、銅管用に設計されたB形及びB-1形シリーズ 。

■B形とB-1形の使用区分
【B形シリーズ】
・衝撃圧と振動を伴う油圧配管路にはこのB形シリーズをご使用ください。

【B-1形シリーズ】
・B形シリーズをコンパクト化したもので、潤滑油、グリース配管や、空気圧配管のような衝撃圧及び振動を伴わない最高使用圧力3.5MPa(35kgf/cm2)以下での配管にご使用ください。
・尚このシリーズは、ナイロン(6・11・12)チューブに対しても使用することができます。

■定格圧力
・銅管用くい込み継手の定格圧力は静圧試験による破壊圧力に対し、安全率を4以上として定めています。

■温度範囲:-20~150℃

■継手各部の材質
・本体… JIS H3250 快削黄銅(C3604)又は鍛造用黄銅(C3771)
・ナット… JIS H3250 鍛造用黄銅(C3771) 、JIS H3260 黄銅(C2600 or C2700)

■適用する管
・適用する管は、JIS H3300銅および銅合金継目無管(C1020、C1100、C1201、C1220焼なまし管)のHV80以下 のものをご使用ください。

#銅管用くい込み継手
#継手

CADメーカーTOP

詳細仕様

  • 7件中 1-7件

  • 表示件数

7件の型式

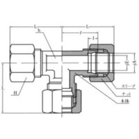
型式 シリーズ タイプ 形状 定格圧力
(MPa)
適用管外径
A
(mm)
E
(mm)
二面幅
h
(mm)
六角対辺
H
(mm)
I
(mm)
l
(mm)
L
(mm)
重量
(kg)
KT4-B-1 B-1形銅管用くい込み継手(低圧用) KT ティー 7 4 2.5 8 10 6.5 16 約23.5 0.025
KT6-B-1 B-1形銅管用くい込み継手(低圧用) KT ティー 7 6 4 8 12 6.5 19 約27 0.036
KT8-B-1 B-1形銅管用くい込み継手(低圧用) KT ティー 7 8 6 10 14 6.5 19 約27 0.047
KT10-B-1 B-1形銅管用くい込み継手(低圧用) KT ティー 7 10 8 12 17 6.5 21 約29.5 0.073
KT12-B-1 B-1形銅管用くい込み継手(低圧用) KT ティー 7 12 10 14 19 6.5 22 約32 0.087
KT15-B-1 B-1形銅管用くい込み継手(低圧用) KT ティー 7 15 12 17 23 8 25 約34.5 0.134
KT20-B-1 B-1形銅管用くい込み継手(低圧用) KT ティー 3.5 20 17 23 29 8 29 約39 0.226

型式 商品コード 単位 価格
(円)
基準納期
日伝 メーカー
KT4-B-1 KT4-B-1 P 1,110 - 15日間
KT6-B-1 KT6-B-1 P 1,150 在庫品 15日間
KT8-B-1 KT8-B-1 P 1,270 在庫品 15日間
KT10-B-1 KT10-B-1 P 1,450 在庫品 15日間
KT12-B-1 KT12-B-1 P 1,750 在庫品 15日間
KT15-B-1 KT15-B-1 P 2,680 - 15日間
KT20-B-1 KT20-B-1 P 4,010 - 15日間

この製品を見た人はこのような製品も見ています

1952年設立で、動力伝導機器・産業機器・制御機器等の機械設備及び機械器具関連製品の販売をしている専門総合商社です。
日本国内で40以上の拠点を持ち、信頼性の高い製品と技術力で、全国のものづくりに携わる方々のあらゆるお困りごとを解決しています。

Loading...