FA-SA
-
FA-SA
イハラサイエンス
FA-SA
FA-SA
9件の型式
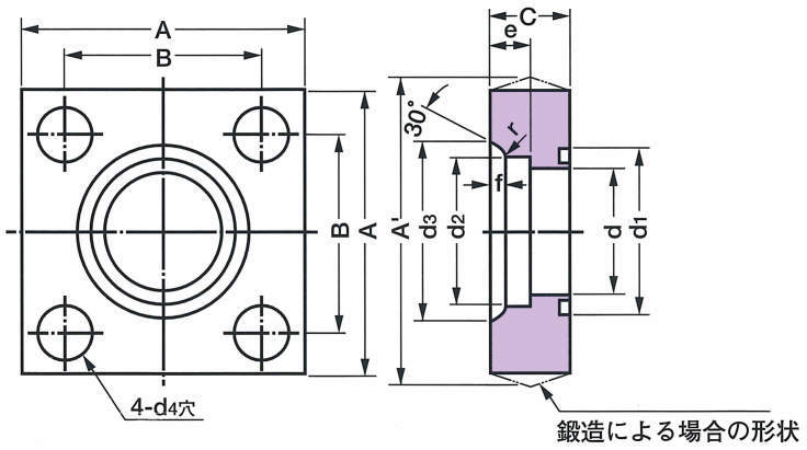
| 型式 | シリーズ | タイプ | 形状 |
相当する JISの呼び方 |
対応する 管の呼び |
A (mm) |
A' (mm) |
B (mm) |
C (mm) |
d (mm) |
d1 (mm) |
d2 |
d3 (mm) |
d4 (mm) |
e (mm) |
f (mm) |
r (mm) |
参考 | ||
|---|---|---|---|---|---|---|---|---|---|---|---|---|---|---|---|---|---|---|---|---|
| (mm) | 公差 | ボルト | Oリング | |||||||||||||||||
| FA-SA-10 | 高圧管継手(油圧用21MPa管フランジ) | FA-SA | フランジ | - | 3/8 in | 54 | max.58 | 36 | 22 | 11 | 30 | 17.8 | 0~+0.2 | 28 | 11 | 11 | 3.5 | 5 | M10 | G25 |
| FA-SA-15 | 高圧管継手(油圧用21MPa管フランジ) | FA-SA | フランジ | SSA15 | 1/2 in | 54 | max.58 | 36 | 22 | 16 | 30 | 22.2 | 0~+0.2 | 32 | 11 | 11 | 3.5 | 5 | M10 | G25 |
| FA-SA-20 | 高圧管継手(油圧用21MPa管フランジ) | FA-SA | フランジ | SSA20 | 3/4 in | 58 | max.62 | 40 | 22 | 20 | 35 | 27.7 | 0~+0.2 | 38 | 11 | 12 | 4.0 | 5 | M10 | G30 |
| FA-SA-25 | 高圧管継手(油圧用21MPa管フランジ) | FA-SA | フランジ | SSA25 | 1 in | 68 | max.73 | 48 | 28 | 25 | 40 | 34.5 | 0~+0.3 | 45 | 13 | 14 | 4.0 | 5 | M12 | G35 |
| FA-SA-32 | 高圧管継手(油圧用21MPa管フランジ) | FA-SA | フランジ | SSA32 | 1・1/4 in | 76 | max.81 | 56 | 28 | 31.5 | 45 | 43.2 | 0~+0.3 | 56 | 13 | 16 | 6.0 | 5 | M12 | G40 |
| FA-SA-40 | 高圧管継手(油圧用21MPa管フランジ) | FA-SA | フランジ | SSA40 | 1・1/2 in | 92 | max.98 | 65 | 36 | 37.5 | 55 | 49.1 | 0~+0.3 | 63 | 18 | 18 | 7.0 | 5 | M16 | G50 |
| FA-SA-50 | 高圧管継手(油圧用21MPa管フランジ) | FA-SA | フランジ | SSA50 | 2 in | 100 | max.106 | 73 | 36 | 47.5 | 65 | 61.1 | 0~+0.3 | 75 | 18 | 20 | 7.0 | 5 | M16 | G60 |
| FA-SA-65 | 高圧管継手(油圧用21MPa管フランジ) | FA-SA | フランジ | SSA65 | 2・1/2 in | 128 | max.136 | 92 | 45 | 60 | 80 | 77.1 | 0~+0.4 | 95 | 22 | 22 | 9.5 | 6 | M20 | G75 |
| FA-SA-80 | 高圧管継手(油圧用21MPa管フランジ) | FA-SA | フランジ | SSA80 | 3 in | 140 | max.148 | 103 | 45 | 71 | 90 | 90.0 | 0~+0.4 | 108 | 24 | 25 | 11.0 | 6 | M22 | G85 |
| 型式 | 商品コード | 単位 |
価格 (円) |
基準納期 | |
|---|---|---|---|---|---|
| 日伝 | メーカー | ||||
| FA-SA-10 | FA-SA-10 | P | 860 | - | 15日間 |
| FA-SA-15 | FA-SA-15 | P | 860 | 在庫品 | 15日間 |
| FA-SA-20 | FA-SA-20 | P | 870 | 在庫品 | 15日間 |
| FA-SA-25 | FA-SA-25 | P | 1,230 | 在庫品 | 15日間 |
| FA-SA-32 | FA-SA-32 | P | 1,370 | 在庫品 | 15日間 |
| FA-SA-40 | FA-SA-40 | P | 2,300 | 在庫品 | 15日間 |
| FA-SA-50 | FA-SA-50 | P | 2,660 | - | 15日間 |
| FA-SA-65 | FA-SA-65 | P | 5,450 | - | 20日間 |
| FA-SA-80 | FA-SA-80 | P | 6,380 | - | 20日間 |
製品についてのご質問やお困りごとなどお気軽にご相談ください!