FA-SB
-
FA-SB
イハラサイエンス
FA-SB
FA-SB
9件の型式
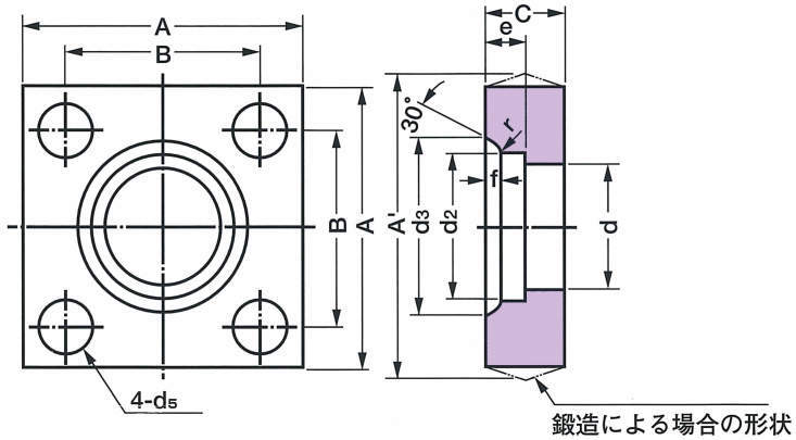
| 型式 | シリーズ | タイプ | 形状 |
相当する JISの呼び方 |
対応する 管の呼び |
A (mm) |
A' (mm) |
B (mm) |
C (mm) |
d (mm) |
d2 |
d3 (mm) |
e (mm) |
d5 |
f (mm) |
r (mm) |
参考 | ||
|---|---|---|---|---|---|---|---|---|---|---|---|---|---|---|---|---|---|---|---|
| (mm) | 公差 | ボルト | Oリング | ||||||||||||||||
| FA-SB-10 | 高圧管継手(油圧用21MPa管フランジ) | FA-SB | フランジ | - | 3/8 in | 54 | max.58 | 36 | 22 | 11 | 17.8 | 0~+0.2 | 28 | 11 | M10×1.5 | 3.5 | 5 | M10 | G25 |
| FA-SB-15 | 高圧管継手(油圧用21MPa管フランジ) | FA-SB | フランジ | SSB15 | 1/2 in | 54 | max.58 | 36 | 22 | 16 | 22.2 | 0~+0.2 | 32 | 11 | M10×1.5 | 3.5 | 5 | M10 | G25 |
| FA-SB-20 | 高圧管継手(油圧用21MPa管フランジ) | FA-SB | フランジ | SSB20 | 3/4 in | 58 | max.62 | 40 | 22 | 20 | 27.7 | 0~+0.2 | 38 | 12 | M10×1.5 | 4.0 | 5 | M10 | G30 |
| FA-SB-25 | 高圧管継手(油圧用21MPa管フランジ) | FA-SB | フランジ | SSB25 | 1 in | 68 | max.73 | 48 | 28 | 25 | 34.5 | 0~+0.3 | 45 | 14 | M12×1.75 | 4.0 | 5 | M12 | G35 |
| FA-SB-32 | 高圧管継手(油圧用21MPa管フランジ) | FA-SB | フランジ | SSB32 | 1・1/4 in | 76 | max.81 | 56 | 28 | 31.5 | 43.2 | 0~+0.3 | 56 | 16 | M12×1.75 | 6.0 | 5 | M12 | G40 |
| FA-SB-40 | 高圧管継手(油圧用21MPa管フランジ) | FA-SB | フランジ | SSB40 | 1・1/2 in | 92 | max.98 | 65 | 36 | 37.5 | 49.1 | 0~+0.3 | 63 | 18 | M16×2 | 7.0 | 5 | M16 | G50 |
| FA-SB-50 | 高圧管継手(油圧用21MPa管フランジ) | FA-SB | フランジ | SSB50 | 2 in | 100 | max.106 | 73 | 36 | 47.5 | 61.1 | 0~+0.3 | 75 | 20 | M16×2 | 7.0 | 5 | M16 | G60 |
| FA-SB-65 | 高圧管継手(油圧用21MPa管フランジ) | FA-SB | フランジ | SSB65 | 2・1/2 in | 128 | max.136 | 92 | 45 | 60 | 77.1 | 0~+0.4 | 95 | 22 | M20×2.5 | 9.5 | 6 | M20 | G75 |
| FA-SB-80 | 高圧管継手(油圧用21MPa管フランジ) | FA-SB | フランジ | SSB80 | 3 in | 140 | max.148 | 103 | 45 | 71 | 90.0 | 0~+0.4 | 108 | 25 | M22×2.5 | 11.0 | 6 | M22 | G85 |
| 型式 | 商品コード | 単位 |
価格 (円) |
基準納期 | |
|---|---|---|---|---|---|
| 日伝 | メーカー | ||||
| FA-SB-10 | FA-SB-10 | P | 940 | - | 15日間 |
| FA-SB-15 | FA-SB-15 | P | 940 | 在庫品 | 15日間 |
| FA-SB-20 | FA-SB-20 | P | 970 | 在庫品 | 15日間 |
| FA-SB-25 | FA-SB-25 | P | 1,350 | 在庫品 | 15日間 |
| FA-SB-32 | FA-SB-32 | P | 1,530 | 在庫品 | 15日間 |
| FA-SB-40 | FA-SB-40 | P | 2,480 | 在庫品 | 15日間 |
| FA-SB-50 | FA-SB-50 | P | 2,840 | - | 15日間 |
| FA-SB-65 | FA-SB-65 | P | 5,790 | - | 20日間 |
| FA-SB-80 | FA-SB-80 | P | 6,730 | - | 20日間 |
製品についてのご質問やお困りごとなどお気軽にご相談ください!