SJH
-
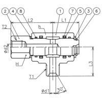
SJH
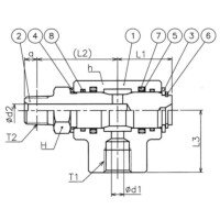
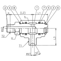
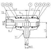
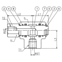
■コンパクト、低トルクタイプを実現した油圧用のスイベルジョイントです。
■エルボタイプ
■長寿命タイプ
・苛酷なご使用に耐えるため回転摺動部であるローター外周面には表面硬化処理を施し、摩耗度が極めて小さいスリッパーシールを採用し、Oリングの連れ回りを抑え摩耗を防止しています。
■作動油を使用し油圧を伝える土木建設機械、工作機械及び一般産業機器の配管に広く使われています。
・特に、油圧の圧力配管に使用され、低速回転や揺動(往復回転運動)が出来る継手です。

