EPCO
-
EPCO
-
Ep-Fit
■樹脂チューブ配管に最適
■簡単、確実、安心、クリーン。
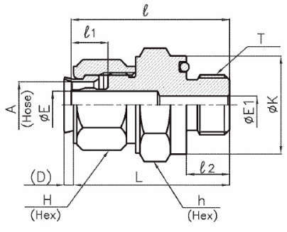
■シンプルな構造
・継手本体とアセンブリナットの2点。
■誰でも確実に接続、安心
・適締付作業のバラツキも一発解消。
・過度な締付けができません。
・チューブに傷を付けません。
・締付けによるチューブのねじれ最小。
■高耐食性(継手構成部品全てSUS316材)。
・超純水洗浄、クリーンルーム内包装による禁油品も取り揃えが可能です。

