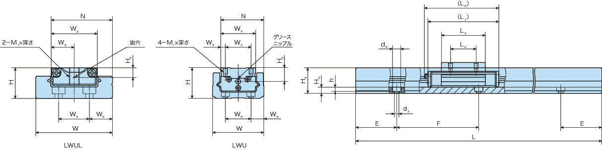
LWUL
-
LWUL
-
リニアウェイU
リニアウェイLWLは、U字形トラックレールを採用した剛性の高い直動案内機器です
・リニアウェイLWUは、断面がU字形のトラックレールの内側に軌道を設け、その内側にスライドユニットを配置した構造の直動案内機器です。
・U字形のトラックレールを採用することで、トラックレールのモーメントやねじりに対する剛性が大幅に向上しています。
新発想のU字形トラックレールを採用
・リニアウェイUは、U字形トラックレールの採用により、モーメントやねじりに対するトラックレールの剛性が高いリニアウェイ(直動案内機器)です。
構造部材としての使用により設計の自由度が拡大
・リニアウェイLWUは、トラックレールの剛性が高いため、トラックレールを片持ちや両端支持で使用したり、機械・装置の構造部材として使用することも可能で、設計の自由度が広がります。
使用用途に合わせた追加工が可能
・炭素鋼製の製品は、トラックレールに追加工が可能なため、駆動機構などの周辺機器をトラックレールに直接固定することができます。
共通仕様
| 仕様 | 非互換性仕様(セット品) |
|---|---|
| 形状 | ボール保持式 |

