・ステンレス鋼板をU字形に精密成形し、軌道部分と取付面を一体化することで軽量化を図り、各部品を機能的に配置して小形化を実現しています。
・2条列4点接触のシンプル構造のため、あらゆる方向の荷重に対して安定した負荷能力高い運動精度が得られます。
・鋼球の優れた保持・案内機構と精密に仕上げられた軌道面により、極めて静かでなめらかな作動が得られます。微小送りの運転時にも高い応答性と位置決め精度が得られます。
・すべての合成樹脂製部品に不燃性または自己消化性材料を使用しているので、難燃性が必要な家庭用OA機器などにも広く使用できます。
・すべての鋼製部品には耐食性に優れたステンレス鋼を使用しているので、クリーンルーム内での使用など、防せい油の使用を嫌う用途に最適です。
・2 条の鋼球列を一体形にした保持器にはピニオンギアが組み込まれており、テーブル及びベッドに固定されたラックギアと噛み合って保持器の位置ずれを防ぎます。
・BSP と同様に円滑な有限の直線運動を行います。
日本トムソン
精密ボールスライド(ラック&ピニオン内蔵形) BSPG
詳細仕様
16件の型式
| 型式 | 主要寸法 |
最大ストローク 長さ (mm) |
基本動定格荷重 C (N) |
基本静定格荷重 C0 (N) |
質量 (g) 参考 |
テーブル取付寸法 | ベッド取付寸法 |
基本動 定格荷重 C(N) |
基本静 定格荷重 C0(N) |
質量 (g) 参考 |
||||||||||||
|---|---|---|---|---|---|---|---|---|---|---|---|---|---|---|---|---|---|---|---|---|---|---|
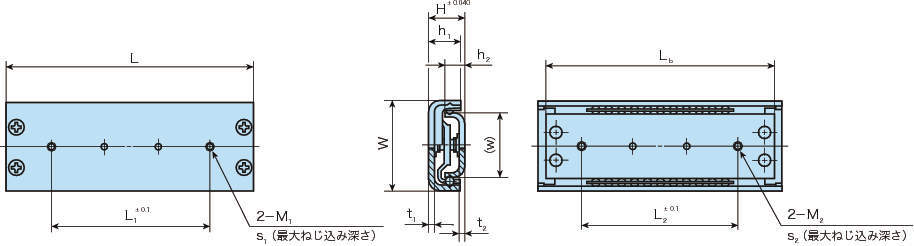
| W (mm) | H (mm) | L (mm) | L1 (mm) | M1 (mm) | s1 (mm) | h1 (mm) | t1 (mm) | Lb (mm) | w (mm) | L2 (mm) | M2 (mm) | s2 (mm) | h2 (mm) | t2 (mm) | ||||||||
| BSPG1225SL | 12 | 6 | 25 | 14 | 244 | 131 | 6.5 | 15 | M2.6 | 2 | 5.2 | 1.2 | 23.6 | 7.6 | 15 | M2.6 | 2 | 3 | 1 | - | - | - |
| BSPG1235SL | 12 | 6 | 35 | 24 | 299 | 175 | 9.0 | 24 | M2.6 | 2 | 5.2 | 1.2 | 33.6 | 7.6 | 24 | M2.6 | 2 | 3 | 1 | - | - | - |
| BSPG1245SL | 12 | 6 | 45 | 34 | 350 | 219 | 11.6 | 34 | M2.6 | 2 | 5.2 | 1.2 | 43.6 | 7.6 | 34 | M2.6 | 2 | 3 | 1 | - | - | - |
| BSPG1540SL | 15 | 8 | 40 | 24 | 550 | 311 | 15.8 | 24 | M3 | 2.5 | 7 | 1.2 | 37 | 9.6 | 24 | M3 | 3 | 4.5 | 1.2 | - | - | - |
| BSPG1550SL | 15 | 8 | 50 | 32 | 644 | 389 | 19.6 | 34 | M3 | 2.5 | 7 | 1.2 | 47 | 9.6 | 34 | M3 | 3 | 4.5 | 1.2 | - | - | - |
| BSPG1560SL | 15 | 8 | 60 | 40 | 732 | 467 | 23.5 | 40 | M3 | 2.5 | 7 | 1.2 | 57 | 9.6 | 40 | M3 | 3 | 4.5 | 1.2 | - | - | - |
| BSPG2040SL | 20 | 10 | 40 | 22 | 726 | 386 | 25.5 | 24 | M3 | 3.2 | 9 | 1.4 | 37 | 13.8 | 24 | M3 | 3.5 | 6.2 | 1.4 | - | - | - |
| BSPG2050SL | 20 | 10 | 50 | 28 | 866 | 496 | 31.8 | 34 | M3 | 3.2 | 9 | 1.4 | 47 | 13.8 | 34 | M3 | 3.5 | 6.2 | 1.4 | - | - | - |
| BSPG2060SL | 20 | 10 | 60 | 34 | 998 | 606 | 38.1 | 40 | M3 | 3.2 | 9 | 1.4 | 57 | 13.8 | 40 | M3 | 3.5 | 6.2 | 1.4 | - | - | - |
| BSPG2070SL | 20 | 10 | 70 | 40 | 1120 | 717 | 44.4 | 45 | M3 | 3.2 | 9 | 1.4 | 67 | 13.8 | 45 | M3 | 3.5 | 6.2 | 1.4 | - | - | - |
| 型式 | 商品コード | 単位 |
価格 (円) |
基準納期 | |
|---|---|---|---|---|---|
| 日伝 | メーカー | ||||
| BSPG1225SL | BSPG1225SL | P | 10,200 | 在庫品 | 在庫品 |
| BSPG1235SL | BSPG1235SL | P | 11,000 | 在庫品 | 在庫品 |
| BSPG1245SL | BSPG1245SL | P | 12,000 | 在庫品 | 在庫品 |
| BSPG1540SL | BSPG1540SL | P | 11,700 | 在庫品 | 在庫品 |
| BSPG1550SL | BSPG1550SL | P | 12,500 | - | 在庫品 |
| BSPG1560SL | BSPG1560SL | P | 13,200 | - | 在庫品 |
| BSPG2040SL | BSPG2040SL | P | 12,500 | - | 在庫品 |
| BSPG2050SL | BSPG2050SL | P | 13,500 | - | 在庫品 |
| BSPG2060SL | BSPG2060SL | P | 14,600 | - | 在庫品 |
| BSPG2070SL | BSPG2070SL | P | 15,800 | - | 在庫品 |
この製品を見た人はこのような製品も見ています
製品についてのご質問やお困りごとなどお気軽にご相談ください!
Loading...

