・一体構造のテーブルとベッドの間に鋼球と保持器を組み込んだ、小形でシンプル構造の有限ストロークタイプ。
・2条列4点接触構造のため、変動荷重や複合荷重が作用する用途でも安定した精度と剛性が得られます。
・2条の軌道溝が同時研削加工されたテーブルとベッドは、加工誤差が少ないため、高精度な直線運動が得られます。
・鋼球の循環抵抗がなく、各構成部品が精密に仕上げられているため、軽くてなめらかな作動が得られます。
・すべての鋼製部品には耐食性に優れたステンレス鋼を使用しているので、クリーンルーム内での使用など、防せい油の使用を嫌う用途に最適です。
日本トムソン
高剛性精密ボールスライド BWU
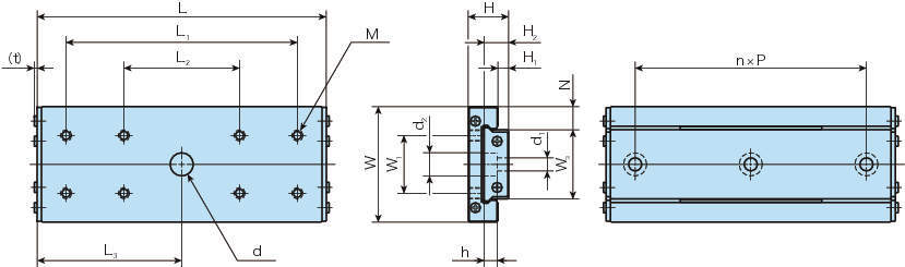
詳細仕様
32件の型式
| 型式 | 主要寸法 |
最大ストローク長さ (mm) |
テーブル寸法 | ベッド寸法 |
基本動定格加重 C (N) |
基本静定格荷重 C0 (N) |
許容荷重 F (N) |
静的慣性モーメント T0 (N・m) |
質量 (g) 参考 |
|||||||||||||||||||
|---|---|---|---|---|---|---|---|---|---|---|---|---|---|---|---|---|---|---|---|---|---|---|---|---|---|---|---|---|
| W (mm) | H (mm) | H1 (mm) | N (mm) | L (mm) | W1 (mm) | L1 (mm) | L2 (mm) | M (mm) | 最大ねじ 込み深さ | W2 (mm) | L3 (mm) | d (mm) | t (mm) | W3 (mm) | H2 (mm) | W4 (mm) | n (mm) | P (mm) | d1 (mm) | d2 (mm) | h (mm) | |||||||
| BWU6-10 | 6 | 3.2 | 0.7 | 2 | 10 | 3 | - | 4 | - | M1.4 | 0.8 | - | - | - | 0.46 | 2 | 1.9 | - | 1 | 4 | M1.0 | - | - | 154 | 181 | 60.2 | 0.21 | 1.0 |
| BWU6-20 | 6 | 3.2 | 0.7 | 2 | 20 | 11 | - | 10 | - | M1.4 | 0.8 | - | - | - | 0.46 | 2 | 1.9 | - | 1 | 8 | M1.0 | - | - | 252 | 361 | 120 | 0.42 | 2.2 |
| BWU6-30 | 6 | 3.2 | 0.7 | 2 | 30 | 16 | - | 18 | 10 | M1.4 | 0.8 | - | - | - | 0.46 | 2 | 1.9 | - | 2 | 8 | M1.0 | - | - | 355 | 587 | 196 | 0.68 | 3.3 |
| BWU8-10 | 8 | 4 | 1 | 2.5 | 10 | 4 | - | 5.5 | - | M2 | 0.8 | - | - | - | 0.45 | 3 | 2.6 | - | 1 | 5 | M1.6 | - | - | 203 | 212 | 70.6 | 0.36 | 1.7 |
| BWU8-20 | 8 | 4 | 1 | 2.5 | 20 | 16 | - | 10 | - | M2 | 0.8 | - | - | - | 0.45 | 3 | 2.6 | - | 1 | 10 | M1.6 | - | - | 292 | 353 | 118 | 0.60 | 3.5 |
| BWU8-30 | 8 | 4 | 1 | 2.5 | 30 | 20 | - | 21 | 10 | M2 | 0.8 | - | - | - | 0.45 | 3 | 2.6 | - | 2 | 10 | M1.6 | - | - | 442 | 635 | 212 | 1.1 | 5.2 |
| BWU10-15 | 10 | 4 | 1 | 3 | 15 | 8 | - | 6.5 | - | M2 | 0.8 | - | 7.5 | 3 | 0.45 | 4 | 2.6 | - | 1 | 5 | 1.8 | 2.8 | 0.75 | 249 | 282 | 94.1 | 0.62 | 3.2 |
| BWU10-25 | 10 | 4 | 1 | 3 | 25 | 16 | - | 13 | - | M2 | 0.8 | - | - | - | 0.45 | 4 | 2.6 | - | 1 | 10 | 1.8 | 2.8 | 0.75 | 370 | 494 | 165 | 1.1 | 5.7 |
| BWU10-40 | 10 | 4 | 1 | 3 | 40 | 22 | - | 26 | 13 | M2 | 0.8 | - | 20 | 3 | 0.45 | 4 | 2.6 | - | 3 | 10 | 1.8 | 2.8 | 0.75 | 572 | 917 | 306 | 2.0 | 9.0 |
| BWU12-20 | 12 | 4.5 | 1 | 3 | 20 | 16 | - | 8 | - | M2 | 1.1 | - | - | - | 0.45 | 6 | 2.8 | - | 1 | 7.5 | 2.4 | 4 | 1.5 | 292 | 353 | 118 | 1.1 | 6.2 |
| 型式 | 商品コード | 単位 |
価格 (円) |
基準納期 | |
|---|---|---|---|---|---|
| 日伝 | メーカー | ||||
| BWU6-10 | BWU6-10 | P | 10,500 | 在庫品 | - |
| BWU6-20 | BWU6-20 | P | 11,500 | 在庫品 | - |
| BWU6-30 | BWU6-30 | P | 13,600 | - | - |
| BWU8-10 | BWU8-10 | P | 10,700 | 在庫品 | - |
| BWU8-20 | BWU8-20 | P | 11,500 | 在庫品 | - |
| BWU8-30 | BWU8-30 | P | 12,300 | 在庫品 | - |
| BWU10-15 | BWU10-15 | P | 11,500 | 在庫品 | - |
| BWU10-25 | BWU10-25 | P | 11,900 | 在庫品 | - |
| BWU10-40 | BWU10-40 | P | 13,000 | - | - |
| BWU12-20 | BWU12-20 | P | 11,500 | 在庫品 | - |
この製品を見た人はこのような製品も見ています
製品についてのご質問やお困りごとなどお気軽にご相談ください!
Loading...

