NAX
-
NAX
-
NAXI
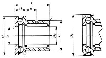
・ラジアル軸受部に保持器付ニードルベアリングが、スラスト軸受部にスラストボールベアリングが組み合わされた、容積の小さい経済性に富んだ軸受です。
・この軸受はラジアル荷重とアキシアル荷重を同時に負荷することができます。
・防塵カバー付きは、薄肉鋼板を成形した防塵カバーがスラスト軸受部の外輪つば外径の溝部にこていされ、スラスト用軌道輪と防塵カバーとの間にラビリンスを形成するので、グリースの漏れ、ちりやほこりの侵入などを防止する効果があります。
・工作機械、繊維機械及び産業機械などに広く使用されています。
共通仕様
| タイプ | NAX・NAX-Z:内輪なし NAXI・NAXI-Z:内輪付 |
|---|

