・スラストニードルベアリングは、精密プレス加工された保持器ところを組み合わせた、小さなスペースで大きな負荷能力を持つ剛性の高い軸受です。
・この軸受は円筒ころを使用したスラストローラベアリングです。
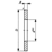
・AZは、保持器付き円筒ころ(AZK)と内輪(WS)、外輪(GS)を組み合わせたものです。
・保持器は特殊な密閉構造で剛性に富んでおり、円筒ころは放射状に配列され、保持器によって正確に案内されますので、高速回転でも大きな負荷に耐えられます。
・この軸受な内径案内で使用するのが一般的です。
・高速回転、変動荷重にも適することから自動車の駆動機構、工作機械、高圧ポンプなどの高精度を要求する箇所に最適です。
日本トムソン
スラストローラベアリング(内輪・外輪付き) AZ
詳細仕様
54件の型式
| 型式 | 主要寸法(mm) |
基本動定 格荷重 C(N) |
基本静 定格荷重 C0(N) |
許容 回転数 (rpm) |
質量 (g) 参考 |
構成部品型式 | ||||||||
|---|---|---|---|---|---|---|---|---|---|---|---|---|---|---|
| d | D | T | dc | Dc | Dw | B | スラストローラベアリング型式 | 内輪 | 外輪 | |||||
| AZ10249 | 10 | 24 | 9 | 10.04 | 23.6 | 3.5 | 2.75 | 8990 | 19100 | 18000 | 24.6 | AZK10243.5 | WS1024 | GS1024 |
| AZ12269 | 12 | 26 | 9 | 12.04 | 25.6 | 3.5 | 2.75 | 10400 | 23900 | 16000 | 26.5 | AZK12263.5 | WS1226 | GS1226 |
| AZ15289 | 15 | 28 | 9 | 15.04 | 27.6 | 3.5 | 2.75 | 10200 | 23900 | 14000 | 28 | AZK15283.5 | WS1528 | GS1528 |
| AZ17309 | 17 | 30 | 9 | 17.04 | 29.6 | 3.5 | 2.75 | 11400 | 28600 | 13000 | 30.5 | AZK17303.5 | WS1730 | GS1730 |
| AZ203510 | 20 | 35 | 10 | 20.04 | 34.6 | 4.5 | 2.75 | 19000 | 48700 | 11000 | 45.5 | AZK20354.5 | WS2035 | GS2035 |
| AZ254211 | 25 | 42 | 11 | 25.05 | 41.6 | 5 | 3 | 22700 | 60700 | 9000 | 70 | AZK25425 | WS2542 | GS2542 |
| AZ304711 | 30 | 47 | 11 | 30.05 | 46.5 | 5 | 3 | 27400 | 81000 | 8000 | 79 | AZK30475 | WS3047 | GS3047 |
| AZ305216 | 30 | 52 | 16 | 30.05 | 51.5 | 7.5 | 4.25 | 38400 | 95700 | 7500 | 160 | AZK30527.5 | WS3052 | GS3052 |
| AZ355212 | 35 | 52 | 12 | 35.05 | 51.5 | 5 | 3.5 | 29100 | 91100 | 7000 | 99 | AZK35525 | WS3552 | GS3552 |
| AZ356218 | 35 | 62 | 18 | 35.05 | 61.5 | 7.5 | 5.25 | 47900 | 135000 | 6500 | 260 | AZK35627.5 | WS3562 | GS3562 |
・許容回転数は油潤滑に適用します。グリース潤滑の場合にはこの値の25%まで許容できます。
| 型式 | 商品コード | 単位 |
価格 (円) |
基準納期 | |
|---|---|---|---|---|---|
| 日伝 | メーカー | ||||
| AZ10249 | AZ10249 | P | 4,250 | 在庫品 | 在庫品 |
| AZ12269 | AZ12269 | P | 4,250 | 在庫品 | 在庫品 |
| AZ15289 | AZ15289 | P | 4,940 | 在庫品 | 在庫品 |
| AZ17309 | AZ17309 | P | 5,200 | 在庫品 | 在庫品 |
| AZ203510 | AZ203510 | P | 5,720 | 在庫品 | 在庫品 |
| AZ254211 | AZ254211 | P | 6,220 | 在庫品 | 在庫品 |
| AZ304711 | AZ304711 | P | 6,520 | 在庫品 | 在庫品 |
| AZ305216 | AZ305216 | P | 9,470 | 在庫品 | 在庫品 |
| AZ355212 | AZ355212 | P | 7,190 | 在庫品 | 在庫品 |
| AZ356218 | AZ356218 | P | 10,500 | 在庫品 | 在庫品 |
関連製品
この製品を見た人はこのような製品も見ています
製品についてのご質問やお困りごとなどお気軽にご相談ください!
Loading...

