モノづくりの困ったを解決する総合サイト

Produced by

日本トムソン

シーブ用ローラベアリング NAS

・ローラベアリングは、ころが複列に組み込まれた定格荷重の大きな非分離形の軸受です。
・この軸受は、ラジアル荷重だけでなく、内外輪のつばところの端面とによってアキシアル荷重も負荷できるので、固定側軸受として最適です。
・ニードルベアリングと同様にコンパクトな軸受です。
・この軸受は、シーブ用として設計された断面高さの小さい複列総ころ形式です。
・比較的低速回転で大きなラジアル荷重と衝撃荷重に耐え、同時にアキシアル加重も負荷できます。

#ベアリング
#衝撃

詳細仕様

  • 26件中 1-10件

  • 表示件数

26件の型式

型式 シール 主要寸法(mm) 基本動定格荷重
C
(N)
基本静定格荷重
C0
(N)
許容回転数
(rpm)
質量
(kg)
参考
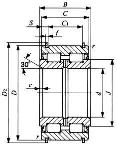
d D D2 B C C1 S f c rs min J
NAS5008UUNR 密封形 40 68 71.8 38 37 28 4.5 2 1.5 0.6 50 79500 116000 2500 0.55
NAS5009UUNR 密封形 45 75 78.8 40 39 30 4.5 2 1.5 0.6 56 95500 144000 2000 0.70
NAS5010UUNR 密封形 50 80 83.8 40 39 30 4.5 2 1.5 0.6 61 100000 158000 2000 0.75
NAS5011UUNR 密封形 55 90 94.8 46 45 34 5.5 2.5 2 0.6 68 118000 193000 1800 1.15
NAS5012UUNR 密封形 60 95 99.8 46 45 34 5.5 2.5 2 0.6 73 123000 208000 1700 1.20
NAS5013UUNR 密封形 65 100 104.8 46 45 34 5.5 2.5 2 0.6 78 128000 224000 1600 1.30
NAS5014UUNR 密封形 70 110 114.5 54 53 42 5.5 2.5 2 0.6 84 171000 284000 1400 1.90
NAS5015UUNR 密封形 75 115 119.5 54 53 42 5.5 2.5 2 0.6 91 179000 308000 1300 2.00
NAS5016UUNR 密封形 80 125 129.5 60 59 48 5.5 2.5 2 0.6 97 251000 428000 1300 2.65
NAS5017UUNR 密封形 85 130 134.5 60 59 48 5.5 2.5 2 0.6 101 257000 446000 1200 2.80

・許容回転数はグリース潤滑に適します。 ・実際の使用条件ではアキシアル荷重も作用することを考慮して、記載値の1/10までの回転数で使用することを推奨します。

型式 商品コード 単位 価格
(円)
基準納期
日伝 メーカー
NAS5008UUNR NAS5008UUNR P 25,900 在庫品 在庫品
NAS5009UUNR NAS5009UUNR P 26,900 - 在庫品
NAS5010UUNR NAS5010UUNR P 27,800 - 在庫品
NAS5011UUNR NAS5011UUNR P 29,900 - 在庫品
NAS5012UUNR NAS5012UUNR P 32,000 - 在庫品
NAS5013UUNR NAS5013UUNR P 35,100 - 在庫品
NAS5014UUNR NAS5014UUNR P 37,800 - 在庫品
NAS5015UUNR NAS5015UUNR P 43,700 - 在庫品
NAS5016UUNR NAS5016UUNR P 48,300 - 在庫品
NAS5017UUNR NAS5017UUNR P 58,200 - 在庫品

この製品を見た人はこのような製品も見ています

1952年設立で、動力伝導機器・産業機器・制御機器等の機械設備及び機械器具関連製品の販売をしている専門総合商社です。
日本国内で40以上の拠点を持ち、信頼性の高い製品と技術力で、全国のものづくりに携わる方々のあらゆるお困りごとを解決しています。

Loading...