・ローラフォロアは、厚肉の外輪に針状ころを組み込んだ構造で、外輪回転用に設計された、摩擦係数が小さく回転性能に優れた軸受です。
・外輪外径面が直接相手ガムガイド面と接触しながら案内をしますが、この軸受は効果的に負荷域を増大させる目的でラジアルすきまを小さく設計しているため、衝撃荷重を緩和し、安定した長寿命が得られます。
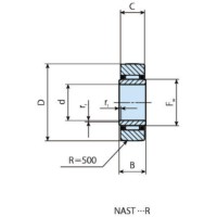
・外輪、内輪とニードルケージを組み合わせた構造で高速回転に優れています。また、それぞれ分離できるので取扱いが容易です。内輪無しのRNASTと内輪付きのNASTがあります。
共通仕様
| タイプ | RNAST・RNAST-R:内輪なし NAST・NAST-R・NAST-ZZ・NAST-ZZR・NAST-ZZUU・NAST-ZZUUR:内輪付き |
|---|---|
| ころの案内方式 | 保持器付き |
| 外輪外径面の形状 | 円筒外輪:RNAST・NAST・NAST-ZZ・NAST-ZZUU 球面外輪:RNAST-R・NAST-R・NAST-ZZR・NAST-ZZUUR |
| シール部の構造 | RNAST・RNAST-R・NAST・NAST-R:開放形 NAST-ZZ・NAST-ZZ-R:シールド形 NAST-ZZUU・NAST-ZZUUR:シール形 |

