モノづくりの困ったを解決する総合サイト

Produced by

日本トムソン

分離形ローラフォロア RNAST・NAST

・ローラフォロアは、厚肉の外輪に針状ころを組み込んだ構造で、外輪回転用に設計された、摩擦係数が小さく回転性能に優れた軸受です。
・外輪外径面が直接相手ガムガイド面と接触しながら案内をしますが、この軸受は効果的に負荷域を増大させる目的でラジアルすきまを小さく設計しているため、衝撃荷重を緩和し、安定した長寿命が得られます。
・外輪、内輪とニードルケージを組み合わせた構造で高速回転に優れています。また、それぞれ分離できるので取扱いが容易です。内輪無しのRNASTと内輪付きのNASTがあります。

#ローラフォロア
#衝撃

共通仕様

タイプ RNAST・RNAST-R:内輪なし
NAST・NAST-R・NAST-ZZ・NAST-ZZR・NAST-ZZUU・NAST-ZZUUR:内輪付き
ころの案内方式 保持器付き
外輪外径面の形状 円筒外輪:RNAST・NAST・NAST-ZZ・NAST-ZZUU
球面外輪:RNAST-R・NAST-R・NAST-ZZR・NAST-ZZUUR
シール部の構造 RNAST・RNAST-R・NAST・NAST-R:開放形
NAST-ZZ・NAST-ZZ-R:シールド形
NAST-ZZUU・NAST-ZZUUR:シール形

詳細仕様

  • 106件中 1-10件

  • 表示件数

106件の型式

型式 ころの
案内形式
タイプ 外輪外径面の
形状
シール部の
構造
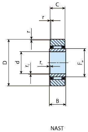
呼び番号 主要寸法
(mm)
主要寸法(mm) 基本動定格荷重
C
(N)
基本静定格荷重
CO
(N)
トラック負荷容量(N)
d Fw D B C a e f 球面外輪 円筒外輪
NAST6 保持器付き 内輪付き 円筒外輪 開放形 6 6 10 19 10 9.8 - - - 4160 4550 1330 3550
NAST8 保持器付き 内輪付き 円筒外輪 開放形 8 8 12 24 10 9.8 - - - 5650 5890 1850 3980
NAST10 保持器付き 内輪付き 円筒外輪 開放形 10 10 14 30 12 11.8 - - - 9790 9680 2470 5610
NAST12 保持器付き 内輪付き 円筒外輪 開放形 12 12 16 32 12 11.8 - - - 10500 10900 2710 5990
NAST15 保持器付き 内輪付き 円筒外輪 開放形 15 15 20 35 12 11.8 - - - 12400 14300 3060 6550
NAST17 保持器付き 内輪付き 円筒外輪 開放形 17 17 22 40 16 15.8 - - - 17600 20900 3660 10900
NAST20 保持器付き 内輪付き 円筒外輪 開放形 20 20 25 47 16 15.8 - - - 19400 24500 4530 12800
NAST25 保持器付き 内輪付き 円筒外輪 開放形 25 25 30 52 16 15.8 - - - 20800 28400 5190 14100
NAST30 保持器付き 内輪付き 円筒外輪 開放形 30 30 38 62 20 19.8 - - - 30500 45400 6580 22100
NAST35 保持器付き 内輪付き 円筒外輪 開放形 35 35 42 72 20 19.8 - - - 32400 50600 8020 25700

型式 商品コード 単位 価格
(円)
基準納期
日伝 メーカー
NAST6 NAST6 P 2,760 在庫品 在庫品
NAST8 NAST8 P 2,780 在庫品 在庫品
NAST10 NAST10 P 2,840 在庫品 在庫品
NAST12 NAST12 P 3,240 在庫品 在庫品
NAST15 NAST15 P 3,740 在庫品 在庫品
NAST17 NAST17 P 3,760 在庫品 在庫品
NAST20 NAST20 P 4,180 在庫品 在庫品
NAST25 NAST25 P 4,640 在庫品 在庫品
NAST30 NAST30 P 5,560 - 在庫品
NAST35 NAST35 P 6,040 - 在庫品

この製品を見た人はこのような製品も見ています

1952年設立で、動力伝導機器・産業機器・制御機器等の機械設備及び機械器具関連製品の販売をしている専門総合商社です。
日本国内で40以上の拠点を持ち、信頼性の高い製品と技術力で、全国のものづくりに携わる方々のあらゆるお困りごとを解決しています。

Loading...