保持器付き
-
保持器付き
-
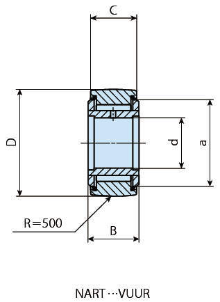
総ころ
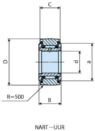
・ローラフォロアは、厚肉の外輪に針状ころを組み込んだ構造で、外輪回転用に設計された、摩擦係数が小さく回転性能に優れた軸受です。
・外輪外径面が直接相手ガムガイド面と接触しながら案内をしますが、この軸受は効果的に負荷域を増大させる目的でラジアルすきまを小さく設計しているため、衝撃荷重を緩和し、安定した長寿命が得られます。
・内輪の両側に側板が圧入された非分離形の軸受です。用途に合わせて保持器付きと総ころを選択することができます。材料の選択をすることもでき、ステンレス鋼製のローラフォロアは、耐食性に優れ、油を嫌う箇所や水分が飛散する環境、クリーンルームでの使用にも適しています。
共通仕様
| ころの案内方式 | NART-R・NART-UUR:保持器付 NART-VR・NART-VUUR:総ころ |
|---|---|
| 外輪外径面の形状 | 球面外輪 |
| シール部の構造 | NART-R・NART-VR:シールド形 NART-UUR・NART-VUUR:シール形 |

