・ローラフォロアは、厚肉の外輪に針状ころを組み込んだ構造で、外輪回転用に設計された、摩擦係数が小さく回転性能に優れた軸受です。
・外輪外径面が直接相手ガムガイド面と接触しながら案内をしますが、この軸受は効果的に負荷域を増大させる目的でラジアルすきまを小さく設計しているため、衝撃荷重を緩和し、安定した長寿命が得られます。
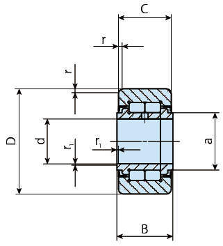
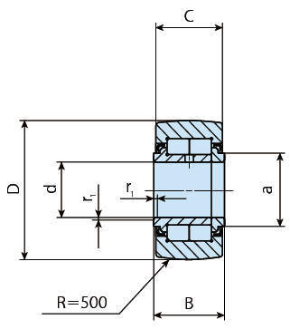
・外輪に円筒ころを複列に組み込んだ総ころ軸受で、大きなラジアル荷重とある程度のアキシアル荷重を受けることができます。
共通仕様
| タイプ | 内輪付き |
|---|---|
| ころの案内方式 | 総ころ |
| 外輪外径面の形状 | NURT:円筒外輪 NURT-R:球面外輪 |
| シール部の構造 | シールド形 |

