・切削仕上げされた高剛性なテーブル及びベッドに、負荷バランスに優れたCRWを組み込んでいるため、あらゆる方向の荷重に対して弾性変化が小さく、高精度で安定した直線運動が得られます。
・取付面は精密な研削仕上げを施しています。
・テーブルにはめねじ、ベッドにはざぐりが施されており、適正な予圧状態にしてありますので、そのまま機械・装置に取り付けるだけで信頼性の高い直線運動が得られます。
日本トムソン
クロスローラウェイユニット CRWU-RS
詳細仕様
10件の型式
| 型式 | 主要寸法 |
最大ストローク 長さ (mm) |
テーブル寸法 | 中軌道台寸法 |
基本動定格荷重 C (N) |
基本静定格荷重 C0 (N) |
許容荷重 F (N) |
静定格モーメント T0 (N・m) |
質量 (kg) 参考 |
||||||||||||||||||
|---|---|---|---|---|---|---|---|---|---|---|---|---|---|---|---|---|---|---|---|---|---|---|---|---|---|---|---|
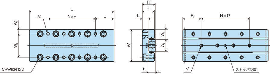
| W | H | L (mm) | W3 (mm) | W4 (mm) | N×P (mm) | E (mm) | M (mm) | n×p (mm) | E7 (mm) | d3 (mm) | H1 (mm) | t1 (mm) | W1 (mm) | W2 (mm) | N1×P1 (mm) | E1 (mm) | M1 (mm) | t2 (mm) | |||||||||
| (mm) | 寸法差 | (mm) | 寸法差 | ||||||||||||||||||||||||
| CRWU20-25RS | 20 | ±0.1 | 8 | ±0.1 | 25 | 12 | 14 | 3 | 1×18 | 3.5 | M2.5 | 1×10 | 7.5 | 4.1 | 7.5 | 3.5 | 7 | 6.5 | 2×7.5 | 5 | M2.5 | 4 | 380 | 478 | 159 | 1.8 | 0.03 |
| CRWU20-35RS | 20 | ±0.1 | 8 | ±0.1 | 35 | 18 | 14 | 3 | 1×28 | 3.5 | M2.5 | 2×10 | 7.5 | 4.1 | 7.5 | 3.5 | 7 | 6.5 | 2×10 | 7.5 | M2.5 | 4 | 525 | 717 | 239 | 2.8 | 0.05 |
| CRWU20-45RS | 20 | ±0.1 | 8 | ±0.1 | 45 | 25 | 14 | 3 | 1×20 | 12.5 | M2.5 | 3×10 | 7.5 | 4.1 | 7.5 | 3.5 | 7 | 6.5 | 3×10 | 7.5 | M2.5 | 4 | 659 | 956 | 319 | 3.7 | 0.06 |
| CRWU20-55RS | 20 | ±0.1 | 8 | ±0.1 | 55 | 32 | 14 | 3 | 1×30 | 12.5 | M2.5 | 4×10 | 7.5 | 4.1 | 7.5 | 3.5 | 7 | 6.5 | 4×10 | 7.5 | M2.5 | 4 | 786 | 1200 | 398 | 4.6 | 0.07 |
| CRWU30-65RS | 30 | ±0.1 | 12 | ±0.1 | 65 | 40 | 22 | 4 | 1×30 | 17.5 | M3 | 3×15 | 10 | 6 | 11.5 | 5.5 | 12 | 9 | 3×15 | 10 | M3 | 6 | 1850 | 2940 | 979 | 19.1 | 0.20 |
| CRWU30-80RS | 30 | ±0.1 | 12 | ±0.1 | 80 | 50 | 22 | 4 | 1×45 | 17.5 | M3 | 4×15 | 10 | 6 | 11.5 | 5.5 | 12 | 9 | 4×15 | 10 | M3 | 6 | 2130 | 3530 | 1180 | 22.9 | 0.24 |
| CRWU30-95RS | 30 | ±0.1 | 12 | ±0.1 | 95 | 60 | 22 | 4 | 2×30 | 17.5 | M3 | 5×15 | 10 | 6 | 11.5 | 5.5 | 12 | 9 | 5×15 | 10 | M3 | 6 | 2410 | 4110 | 1370 | 26.7 | 0.29 |
| CRWU40-105RS | 40 | ±0.1 | 16 | ±0.1 | 105 | 60 | 30 | 5 | 1×50 | 27.5 | M4 | 3×25 | 15 | 7.5 | 15.5 | 7.5 | 16 | 12 | 3×25 | 15 | M4 | 8 | 4680 | 7310 | 2440 | 63.6 | 0.58 |
| CRWU40-130RS | 40 | ±0.1 | 16 | ±0.1 | 130 | 75 | 30 | 5 | 1×75 | 27.5 | M4 | 4×25 | 15 | 7.5 | 15.5 | 7.5 | 16 | 12 | 4×25 | 15 | M4 | 8 | 5860 | 9750 | 3250 | 84.8 | 0.72 |
| CRWU40-155RS | 40 | ±0.1 | 16 | ±0.1 | 155 | 90 | 30 | 5 | 2×50 | 27.5 | M4 | 5×25 | 15 | 7.5 | 15.5 | 7.5 | 16 | 12 | 5×25 | 15 | M4 | 8 | 6970 | 12200 | 4060 | 106 | 0.85 |
| 型式 | 商品コード | 単位 |
価格 (円) |
基準納期 | |
|---|---|---|---|---|---|
| 日伝 | メーカー | ||||
| CRWU20-25RS | CRWU20-25RS | P | 29,600 | - | 在庫品 |
| CRWU20-35RS | CRWU20-35RS | P | 31,900 | - | 在庫品 |
| CRWU20-45RS | CRWU20-45RS | P | 36,400 | - | 在庫品 |
| CRWU20-55RS | CRWU20-55RS | P | 40,900 | - | 在庫品 |
| CRWU30-65RS | CRWU30-65RS | P | 40,900 | - | 在庫品 |
| CRWU30-80RS | CRWU30-80RS | P | 45,400 | - | 在庫品 |
| CRWU30-95RS | CRWU30-95RS | P | 49,900 | - | 在庫品 |
| CRWU40-105RS | CRWU40-105RS | P | 54,400 | - | 在庫品 |
| CRWU40-130RS | CRWU40-130RS | P | 63,500 | - | 在庫品 |
| CRWU40-155RS | CRWU40-155RS | P | 72,500 | - | 在庫品 |
この製品を見た人はこのような製品も見ています
製品についてのご質問やお困りごとなどお気軽にご相談ください!
Loading...

