CルーブリニアウェイEは、コンパクト化を追求した汎用性の高い万能タイプの直動案内機器です。
・CルーブリニアウェイEは、あらゆる面でコンパクト化を追求した汎用性の高い万能タイプの直動案内機器です。
・「Cルーブ」は、潤滑油の使用量を最少限に抑え、長期間にわたり最適量の潤滑油を供給するため、製品の長期メンテナンスフリーを実現すると共に、地球環境にも大きく貢献します。
・フリーコンビネーションは、スライドユニットとトラックレールの精度や予圧を完全に維持したままで、自由に組み替え・交換が可能なリニアウェイです。
汎用性の高いコンパクトな万能シリーズ
・CルーブリニアウェイEは、あらゆる面でコンパクト化を追求。
・汎用性の高い万能タイプのリニアウェイ(直動案内機器)です。
ニーズに応えるワイドバリエーション
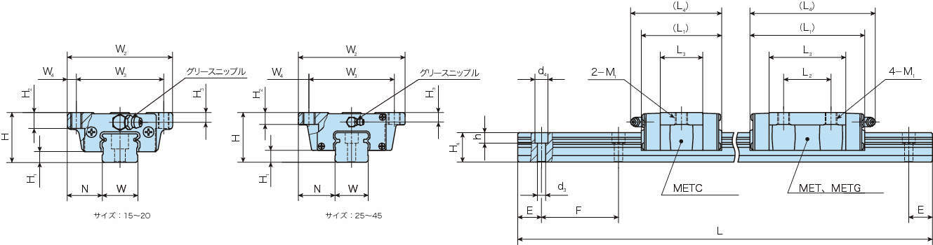
・CルーブリニアウェイE・METは、フランジ形・下方向取付け形状のスライドユニットです。
耐食性に優れたステンレス鋼製をラインナップ
・ステンレス鋼製の製品は耐食性に優れ、クリーンルーム内での使用など、防せい油の使用を嫌う用途に最適です。
共通仕様
| 仕様 | フリーコンビネーション仕様(スライドユニット) |
|---|---|
| 形状 | フランジ形・下方向取付け |

