モノづくりの困ったを解決する総合サイト

Produced by

日本トムソン

CルーブリニアウェイE・MES(ブロック形・スライドユニット)

CルーブリニアウェイEは、コンパクト化を追求した汎用性の高い万能タイプの直動案内機器です。

・CルーブリニアウェイEは、あらゆる面でコンパクト化を追求した汎用性の高い万能タイプの直動案内機器です。
・「Cルーブ」は、潤滑油の使用量を最少限に抑え、長期間にわたり最適量の潤滑油を供給するため、製品の長期メンテナンスフリーを実現すると共に、地球環境にも大きく貢献します。
・フリーコンビネーションは、スライドユニットとトラックレールの精度や予圧を完全に維持したままで、自由に組み替え・交換が可能なリニアウェイです。


汎用性の高いコンパクトな万能シリーズ
・CルーブリニアウェイEは、あらゆる面でコンパクト化を追求。
・汎用性の高い万能タイプのリニアウェイ(直動案内機器)です。

ニーズに応えるワイドバリエーション
・CルーブリニアウェイE・MESは、ブロック形・下方向取付け形状のスライドユニットです。

耐食性に優れたステンレス鋼製をラインナップ
・ステンレス鋼製の製品は耐食性に優れ、クリーンルーム内での使用など、防せい油の使用を嫌う用途に最適です。

#メンテナンスフリー
#リニアガイド
#直動案内機器

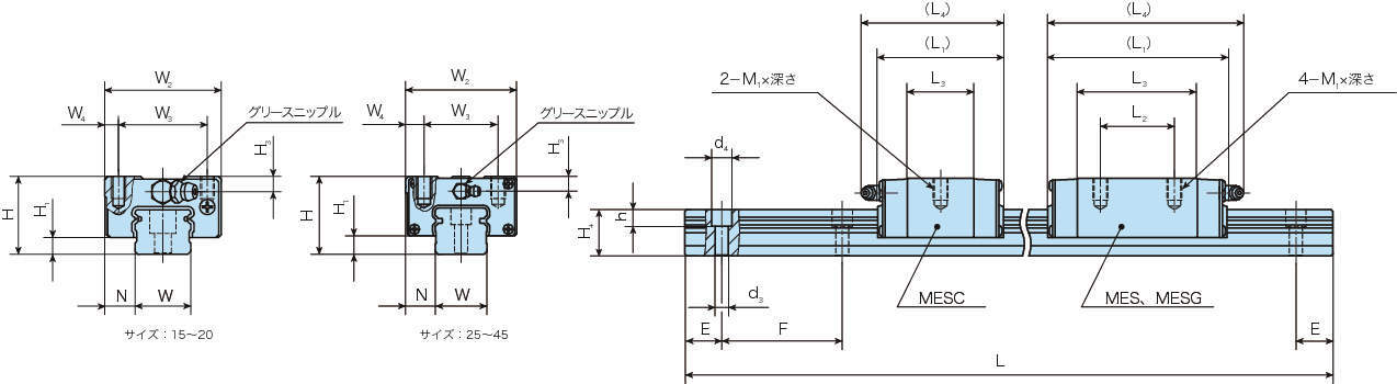
共通仕様

仕様 フリーコンビネーション仕様(スライドユニット)
形状 ブロック形・下方向取付け

CADメーカーTOP

詳細仕様

  • 27件中 1-10件

  • 表示件数

27件の型式

型式 タイプ 材質 サイズ アッセンブリ寸法(mm) スライドユニット寸法(mm) トラックレール寸法(mm) 基本動
定格荷重
C(N)
基本静
定格荷重
C0(N)
静定格モーメント(N・m)
H H1 N W2 W3 W4 L1 L2 L3 L4 M1×深さ H3 W H4 d3 d4 h E F T0 TX TY
MESC15C1SLS1 ショート ステンレス鋼 15 24 5.8 9.5 34 26 4 41 - 22.4 45 M4×7 4.5 15 14.5 3.6 6.5 4.5 20 60 5240 5480 43.8 21.3 21.3
MESC20C1SLS1 ショート ステンレス鋼 20 28 6 11 42 32 5 47 - 24.7 58 M5×8 5.5 20 16 6 9.5 8.5 20 60 7580 7340 78.9 31.5 31.5
MESC25C1SLS1 ショート ステンレス鋼 25 33 7 12.5 48 35 6.5 59 - 32 70 M6×9 6.5 23 19 7 11 9 20 60 12400 12300 153 71.8 71.8
MESC30C1SLS1 ショート ステンレス鋼 30 42 10 16 60 40 10 68 - 36 78 M8×12 8 28 25 7 11 9 20 80 20600 18800 287 129 129
MESC15C1S1 ショート 炭素鋼 15 24 5.8 9.5 34 26 4 41 - 22.4 45 M4×7 4.5 15 14.5 3.6 6.5 4.5 20 60 5240 5480 43.8 21.3 21.3
MESC20C1S1 ショート 炭素鋼 20 28 6 11 42 32 5 47 - 24.7 58 M5×8 5.5 20 16 6 9.5 8.5 20 60 7580 7340 78.9 31.5 31.5
MESC25C1S1 ショート 炭素鋼 25 33 7 12.5 48 35 6.5 59 - 32 70 M6×9 6.5 23 19 7 11 9 20 60 12400 12300 153 71.8 71.8
MESC30C1S1 ショート 炭素鋼 30 42 10 16 60 40 10 68 - 36 78 M8×12 8 28 25 7 11 9 20 80 20600 18800 287 129 129
MESC35C1S1 ショート 炭素鋼 35 48 11 18 70 50 10 78 - 41.6 90 M8×12 10 34 28 9 14 12 20 80 29900 26800 412 176 162
MES15C1SLS1 スタンダード ステンレス鋼 15 24 5.8 9.5 34 26 4 57 26 38.4 61 M4×7 4.5 15 14.5 3.6 6.5 4.5 20 60 7640 9390 75.1 57.6 57.6

型式 商品コード 単位 価格
(円)
基準納期
日伝 メーカー
MESC15C1SLS1 MESC15C1SLS1 P 9,300 - -
MESC20C1SLS1 MESC20C1SLS1 P 10,900 - -
MESC25C1SLS1 MESC25C1SLS1 P 11,400 - -
MESC30C1SLS1 MESC30C1SLS1 P 15,900 - -
MESC15C1S1 MESC15C1S1 P 7,200 在庫品 -
MESC20C1S1 MESC20C1S1 P 8,400 在庫品 -
MESC25C1S1 MESC25C1S1 P 8,800 在庫品 -
MESC30C1S1 MESC30C1S1 P 10,800 在庫品 -
MESC35C1S1 MESC35C1S1 P 14,500 - -
MES15C1SLS1 MES15C1SLS1 P 11,400 - -

関連製品

この製品を見た人はこのような製品も見ています

1952年設立で、動力伝導機器・産業機器・制御機器等の機械設備及び機械器具関連製品の販売をしている専門総合商社です。
日本国内で40以上の拠点を持ち、信頼性の高い製品と技術力で、全国のものづくりに携わる方々のあらゆるお困りごとを解決しています。

Loading...