CルーブリニアウェイHは、高い負荷容量を実現した高剛性な直動案内機器です。
・CルーブリニアウェイHは、大径の鋼球を組み込むことで、ボールタイプの中で最大の定格荷重を有する直動案内機器です。
・方向や大きさが変動する荷重や複合荷重が作用する用途でも安定した高い精度と剛性が得られます。
・「Cルーブ」は、潤滑油の使用量を最少限に抑え、長期間にわたり最適量の潤滑油を供給するため、製品の長期メンテナンスフリーを実現すると共に、地球環境にも大きく貢献します。
・フリーコンビネーションは、スライドユニットとトラックレールの精度や予圧を完全に維持したままで、自由に組み替え・交換が可能なリニアウェイです。
ボールタイプの中で最大クラスの定格荷重を有する高剛性シリーズ
・CルーブリニアウェイHは、大径の鋼球を組み込むことで、バランスよく高い負荷容量を実現した高剛性なリニアウェイ(直動案内機器)です。
ニーズに応えるワイドバリエーション
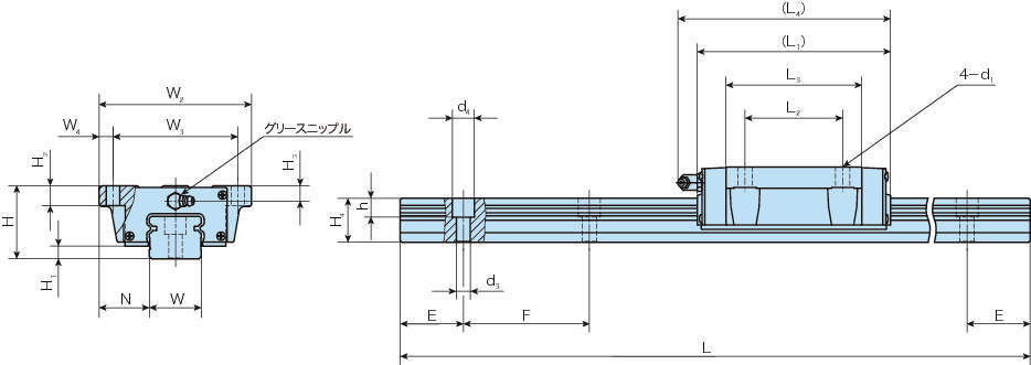
・CルーブリニアウェイH・MHは、フランジ形・上方向取付け形状のスライドユニットです。
耐食性に優れたステンレス鋼製をラインナップ
・ステンレス鋼製の製品は耐食性に優れ、クリーンルーム内での使用など、防せい油の使用を嫌う用途に最適です。
共通仕様
| 仕様 | フリーコンビネーション仕様(スライドユニット) |
|---|---|
| 形状 | フランジ形・上方向取付け |

