・ローラの優れた特性を最大限に活かし、剛性、負荷容量、走行精度、振動減衰性などあらゆる特性で最高レベルの性能を実現した直動案内機器です。
・スライドユニット長さが最長の高精度・高剛性ロングユニットを使用することで、負荷容量と剛性アップはもちろん、超高精度な走行性能を発揮します。
・「Cルーブ」は、潤滑油の使用量を最少限に抑え、長期間にわたり最適量の潤滑油を供給するため、製品の長期メンテナンスフリーを実現すると共に、地球環境にも大きく貢献します。
・フリーコンビネーションは、スライドユニットとトラックレールの精度や予圧を完全に維持したままで、自由に組み替え・交換が可能です。
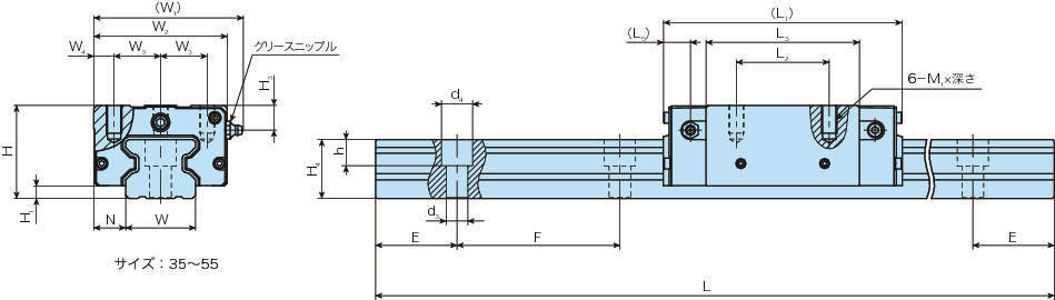
共通仕様
| 仕様 | フリーコンビネーション仕様(スライドユニット) |
|---|---|
| 形状 | コンパクトブロック形・下方向取付け |

