CルーブリニアウェイLは、超小形サイズの直動案内機器です。
・CルーブリニアウェイLは、軌道と4点で接触する鋼球を2条列に配置した構造のため、極めて小形にもかかわらず、方向や大きさが変動する荷重や複合荷重が作用する用途でも安定した精度と剛性が得られます。
・「Cルーブ」は、潤滑油の使用量を最少限に抑え、長期間にわたり最適量の潤滑油を供給するため、製品の長期メンテナンスフリーを実現すると共に、地球環境にも大きく貢献します。
・フリーコンビネーションは、スライドユニットとトラックレールの精度や予圧を完全に維持したままで、自由に組み替え・交換が可能なリニアウェイです。
シンプル構造ならではの極小サイズ
・CルーブリニアウェイLは、2条列4点接触方式のシンプル構造と、独自のスモールサイジング技術によって生み出された超小形サイズのリニアウェイ(直動案内機器)です。
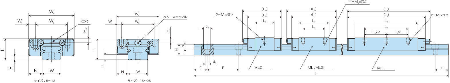
・リニアウェイL・MLは、標準型のスライドユニットです。
組付けが容易なボール保持式
・リニアウェイLは、ボール保持式のスライドユニットに鋼球保持バンドが組み込まれているので、トラックレールからスライドユニットを取り外しても鋼球が脱落しない安心構造です。
耐食性に優れたステンレス鋼製
・リニアウェイLは、耐食性に優れたステンレス鋼製を基本仕様としており、クリーンルーム内での使用など、防せい油の使用を嫌う用途に最適です。
共通仕様
| 仕様 | フリーコンビネーション仕様(スライドユニット) |
|---|---|
| 形状 | 標準形 |

