リニアウェイFは、幅広のトラックレールを使用し単列の使用にも適した直動案内機器です。
・リニアウェイFは、幅広のトラックレールを使用しているため、荷重点間距離が長く、幅方向のモーメントに強い構造で単列の使用にも適した直動案内機器です。
・複合荷重にも強さを発揮します。
・フリーコンビネーションは、スライドユニットとトラックレールの精度や予圧を完全に維持したままで、自由に組み替え・交換が可能なリニアウェイです。
モーメントに強い、幅広シリーズ
・リニアウェイFは、トラックレールの幅が広くモーメント負荷時の荷重点間の距離が長いので、モーメントや複合荷重に強く、単列での使用にも適したリニアウェイ(直動案内機器)です。
用途で選べるスライドユニット形状
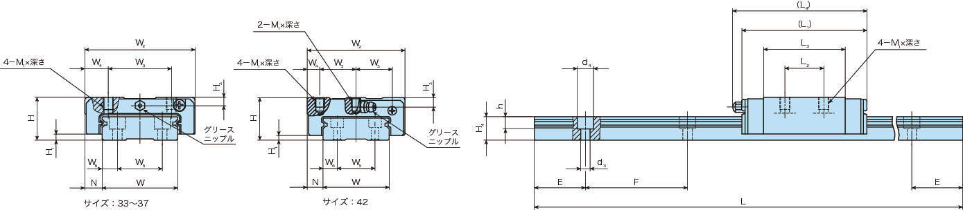
・リニアウェイF・LWFSは、ブロック形・下方向取付け形状のスライドユニットです。
耐食性に優れた
・ステンレス鋼製をラインナップステンレス鋼製の製品は耐食性に優れ、クリーンルーム内での使用など、防せい油の使用を嫌う用途に最適です。
共通仕様
| 仕様 | フリーコンビネーション仕様(スライドユニット) |
|---|---|
| 形状 | ブロック形・下方向取付け |

