マイクロリニアウェイLは、世界最極小サイズを実現しています
・リニアウェイLは、軌道と4点で接触する鋼球を2条列に配置した構造のため、極めて小形にもかかわらず、方向や大きさが変動する荷重や複合荷重が作用する用途でも安定した精度と剛性が得られます。
・トラックレール幅1mmから3mmまでラインナップしており、機械・装置の仕様に合わせて最適な製品を選択できます。
・LWL1は、トラックレール幅1mm、スライドユニット幅4mm、アッセンブリ高さ2.5mmと、世界最極小サイズを実現しています。
シンプル構造ならではの極小サイズ
・リニアウェイLは、2条列4点接触方式のシンプル構造と、独自のスモールサイジング技術によって生み出された超小形サイズのリニアウェイ(直動案内機器)です。
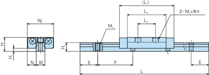
・マイクロリニアウェイL・LWLは、標準型のスライドユニットです。
共通仕様
| 仕様 | 非互換性仕様(セット品) |
|---|---|
| 形状 | 標準形 |

