モノづくりの困ったを解決する総合サイト

Produced by

日本トムソン

Cルーブカムフォロア CF-/SG(保持器付き)

・カムフォロアは、厚肉の外輪に針状ころを組み込んだ構造で、外輪回転用に設計された、摩擦係数が小さく回転性能に優れた軸受です。
・外輪外径面が直接相手カムガイド面と接触しながら案内をしますが、この軸受は効果的に負荷域を増大させる目的でラジアルすきまを小さく設計しているため、衝撃荷重を緩和し、安定した長寿命が得られます。
・軸受空間に熱硬化形固形潤滑剤『Cルーブ』を封入したメンテナンスフリー製品。『Cルーブ』は、多量の潤滑油と微粒子の超高分子ポリオレフィン樹脂を熱処理固形化した潤滑剤です。軸受が回転することにより、『Cルーブ』から潤滑剤が軌道面に常時適量しみだし、長期間にわたって軸受の潤滑性能を維持します。

#カムフォロア

共通仕様

ころの案内方式 保持器付き
スタッド頭部の形状 六角穴付き
外輪外径面の形状 球面外輪
シール部の構造 シール形
材質 炭素鋼製

CADメーカーTOP

詳細仕様

  • 11件中 1-10件

  • 表示件数

11件の型式

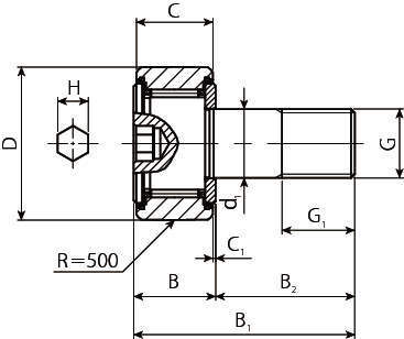
型式 タイプ 材質 シール部の構造 外輪外径面の形状 主要寸法(mm) 取付関係寸法
f
最小
(mm)
最大締付トルク
(N・m)
基本動
定格荷重
C
(N)
基本静
定格荷重
CO
(N)
最大静
許容荷重
(N)
トラック
負荷容量
(N)
D C d1 G G1 B B1 B2 B3 C1 H
CF5WBUUR/SG CF-WBUUR/SG 炭素鋼製 シール形 球面外面 13 9 5 M5×0.8 7.5 10 23 13 - 0.5 3 9.3 1.6 2520 2140 1260 794
CF6WBUUR/SG CF-WBUUR/SG 炭素鋼製 シール形 球面外面 16 11 6 M6×1 8 12.2 28.2 16 - 0.6 3 11 2.7 3660 3650 1950 1040
CF8WBUUR/SG CF-WBUUR/SG 炭素鋼製 シール形 球面外面 19 11 8 M8×1.25 10 12.2 32.2 20 - 0.6 4 13 6.5 4250 4740 4620 1330
CF10WBUUR/SG CF-WBUUR/SG 炭素鋼製 シール形 球面外面 22 12 10 M10×1.25 12 13.2 36.2 23 - 0.6 4 16 13.8 5430 6890 6890 1610
CF10-1WBUUR/SG CF-WBUUR/SG 炭素鋼製 シール形 球面外面 26 12 10 M10×1.25 12 13.2 36.2 23 - 0.6 4 16 13.8 5430 6890 6890 2030
CF12WBUUR/SG CF-WBUUR/SG 炭素鋼製 シール形 球面外面 30 14 12 M12×1.5 13 15.2 40.2 25 - 0.6 6 21 21.9 7910 9790 9790 2470
CF12-1WBUUR/SG CF-WBUUR/SG 炭素鋼製 シール形 球面外面 32 14 12 M12×1.5 13 15.2 40.2 25 - 0.6 6 21 21.9 7910 9790 9790 2710
CF16WBUUR/SG CF-WBUUR/SG 炭素鋼製 シール形 球面外面 35 18 16 M16×1.5 17 19.6 52.1 32.5 - 0.8 6 26 58.5 12000 18300 18300 3060
CF18WBUUR/SG CF-WBUUR/SG 炭素鋼製 シール形 球面外面 40 20 18 M18×1.5 19 21.6 58.1 36.5 - 0.8 8 29 86.2 14800 25200 25200 3660
CF20WBUUR/SG CF-WBUUR/SG 炭素鋼製 シール形 球面外面 52 24 20 M20×1.5 21 25.6 66.1 40.5 - 0.8 8 34 119 20700 34600 34600 5190

型式 商品コード 単位 価格
(円)
基準納期
日伝 メーカー
CF5WBUUR/SG CF5WBUUR/SG P 5,430 在庫品 在庫品
CF6WBUUR/SG CF6WBUUR/SG P 5,260 在庫品 在庫品
CF8WBUUR/SG CF8WBUUR/SG P 5,520 在庫品 在庫品
CF10WBUUR/SG CF10WBUUR/SG P 5,790 在庫品 在庫品
CF10-1WBUUR/SG CF10-1WBUUR/SG P 6,040 在庫品 在庫品
CF12WBUUR/SG CF12WBUUR/SG P 7,050 在庫品 在庫品
CF12-1WBUUR/SG CF12-1WBUUR/SG P 7,480 在庫品 在庫品
CF16WBUUR/SG CF16WBUUR/SG P 7,820 在庫品 在庫品
CF18WBUUR/SG CF18WBUUR/SG P 9,350 在庫品 在庫品
CF20WBUUR/SG CF20WBUUR/SG P 12,400 在庫品 在庫品

この製品を見た人はこのような製品も見ています

1952年設立で、動力伝導機器・産業機器・制御機器等の機械設備及び機械器具関連製品の販売をしている専門総合商社です。
日本国内で40以上の拠点を持ち、信頼性の高い製品と技術力で、全国のものづくりに携わる方々のあらゆるお困りごとを解決しています。

Loading...