カムフォロアは、厚肉の外輪に針状ころを組み込んだ構造で、外輪回転用に設計された、摩擦係数が小さく回転性能に優れた軸受です。
外輪外径面が直接相手カムガイド面と接触しながら案内をしますが、この軸受は効果的に負荷域を増大させる目的でラジアルすきまを小さく設計しているため、衝撃荷重を緩和し、安定した長寿命が得られます。
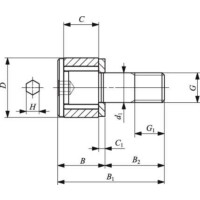
外輪に極めて細かい針状ころを組み込んだ軸受で、スタッド径に対して外輪外径の小さいコンパクト設計になっています。電子部品装置・OA機器及び小形インデックス装置などに使用されています。
共通仕様
| ころの案内方式 | 総ころ |
|---|---|
| スタッド頭部の形状 | 六角穴付き |
| 外輪外径面の形状 | 円筒外輪 |
| シール部の構造 | シールド形 |
| 材質 | CFS-V:炭素鋼製 CFS-FV:ステンレス鋼製 |

