コンパクトなモジュールタイプ
・トラックレールとスライドメンバーがセットになった最小単位のコンパクトな直動案内危機です。
耐食性に優れたステンレス鋼製
・LWLMは耐食性に優れたステンレス鋼製。クリーンルーム内での使用など、防せい油を嫌う用途に最適です。
共通仕様
| 形式 | リニアウェイM |
|---|---|
| 精度の等級 | 上級 |
日本トムソン
コンパクトなモジュールタイプ
・トラックレールとスライドメンバーがセットになった最小単位のコンパクトな直動案内危機です。
耐食性に優れたステンレス鋼製
・LWLMは耐食性に優れたステンレス鋼製。クリーンルーム内での使用など、防せい油を嫌う用途に最適です。
| 形式 | リニアウェイM |
|---|---|
| 精度の等級 | 上級 |
41件の型式
| 型式 | 大きさ |
スライド メンバー 個数 |
トラック レール長さ L (mm) |
基本動 定格荷重 (N) |
基本静 定格荷重 (N) |
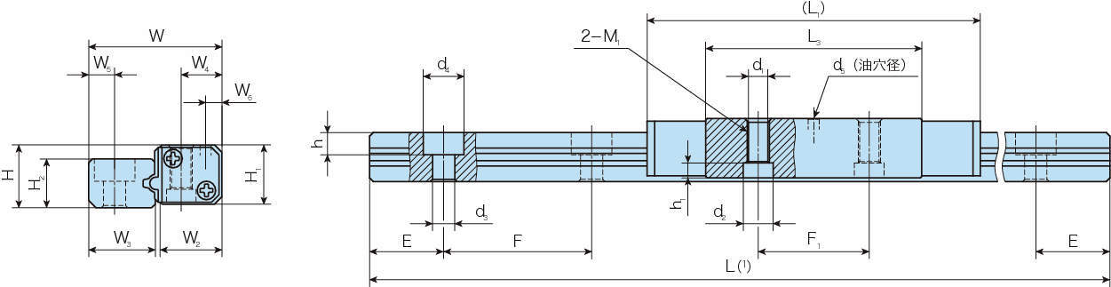
アッセンブリ寸法(mm) | スライドメンバー寸法(mm) | トラックレール寸法(mm) | トラックレー�\x83\xAB寸法(mm) | トラックレール寸法(mm) |
トラックレール 取付け用添付ボルト ねじの呼び×l |
質量 | ||||||||||||||||||
|---|---|---|---|---|---|---|---|---|---|---|---|---|---|---|---|---|---|---|---|---|---|---|---|---|---|---|---|---|---|---|
| H | W | H1 | W2 | W4 | W6 | L1 | L3 | F1 | d1 | d2 | h1 | M1 | d5 | H2 | W3 | W5 | d3 | d4 | h | E | F | スライド メンバー (g) | トラック レール (g/m) | |||||||
| LWLM7M1R60H | 7 | 1 | 60 | 1730 | 2020 | 7 | 15 | 6.6 | 7.8 | 5 | 2.5 | 38 | 24 | 12 | - | - | - | M2.6 | 1 | 4.8 | 6.8 | 3.3 | 3 | - | - | 10 | 20 | M2.6×8 | 10 | 210 |
| LWLM7M1R80H | 7 | 1 | 80 | 1730 | 2020 | 7 | 15 | 6.6 | 7.8 | 5 | 2.5 | 38 | 24 | 12 | - | - | - | M2.6 | 1 | 4.8 | 6.8 | 3.3 | 3 | - | - | 10 | 20 | M2.6×8 | 10 | 210 |
| LWLM7M1R120H | 7 | 1 | 120 | 1730 | 2020 | 7 | 15 | 6.6 | 7.8 | 5 | 2.5 | 38 | 24 | 12 | - | - | - | M2.6 | 1 | 4.8 | 6.8 | 3.3 | 3 | - | - | 10 | 20 | M2.6×8 | 10 | 210 |
| LWLM7M1R160H | 7 | 1 | 160 | 1730 | 2020 | 7 | 15 | 6.6 | 7.8 | 5 | 2.5 | 38 | 24 | 12 | - | - | - | M2.6 | 1 | 4.8 | 6.8 | 3.3 | 3 | - | - | 10 | 20 | M2.6×8 | 10 | 210 |
| LWLM7M1R240H | 7 | 1 | 240 | 1730 | 2020 | 7 | 15 | 6.6 | 7.8 | 5 | 2.5 | 38 | 24 | 12 | - | - | - | M2.6 | 1 | 4.8 | 6.8 | 3.3 | 3 | - | - | 10 | 20 | M2.6×8 | 10 | 210 |
| LWLM7M2R80H | 7 | 2 | 80 | 1730 | 2020 | 7 | 15 | 6.6 | 7.8 | 5 | 2.5 | 38 | 24 | 12 | - | - | - | M2.6 | 1 | 4.8 | 6.8 | 3.3 | 3 | - | - | 10 | 20 | M2.6×8 | 10 | 210 |
| LWLM7M2R120H | 7 | 2 | 120 | 1730 | 2020 | 7 | 15 | 6.6 | 7.8 | 5 | 2.5 | 38 | 24 | 12 | - | - | - | M2.6 | 1 | 4.8 | 6.8 | 3.3 | 3 | - | - | 10 | 20 | M2.6×8 | 10 | 210 |
| LWLM7M2R160H | 7 | 2 | 160 | 1730 | 2020 | 7 | 15 | 6.6 | 7.8 | 5 | 2.5 | 38 | 24 | 12 | - | - | - | M2.6 | 1 | 4.8 | 6.8 | 3.3 | 3 | - | - | 10 | 20 | M2.6×8 | 10 | 210 |
| LWLM7M2R240H | 7 | 2 | 240 | 1730 | 2020 | 7 | 15 | 6.6 | 7.8 | 5 | 2.5 | 38 | 24 | 12 | - | - | - | M2.6 | 1 | 4.8 | 6.8 | 3.3 | 3 | - | - | 10 | 20 | M2.6×8 | 10 | 210 |
| LWLM7M3R120H | 7 | 3 | 120 | 1730 | 2020 | 7 | 15 | 6.6 | 7.8 | 5 | 2.5 | 38 | 24 | 12 | - | - | - | M2.6 | 1 | 4.8 | 6.8 | 3.3 | 3 | - | - | 10 | 20 | M2.6×8 | 10 | 210 |
| 型式 | 商品コード | 単位 |
価格 (円) |
基準納期 | |
|---|---|---|---|---|---|
| 日伝 | メーカー | ||||
| LWLM7M1R60H | LWLM7M1R60H | P | 9,040 | - | - |
| LWLM7M1R80H | LWLM7M1R80H | P | 9,470 | - | - |
| LWLM7M1R120H | LWLM7M1R120H | P | 10,440 | - | - |
| LWLM7M1R160H | LWLM7M1R160H | P | 11,520 | - | - |
| LWLM7M1R240H | LWLM7M1R240H | P | 13,880 | - | - |
| LWLM7M2R80H | LWLM7M2R80H | P | 16,070 | - | - |
| LWLM7M2R120H | LWLM7M2R120H | P | 17,040 | - | - |
| LWLM7M2R160H | LWLM7M2R160H | P | 18,120 | - | - |
| LWLM7M2R240H | LWLM7M2R240H | P | 20,480 | - | - |
| LWLM7M3R120H | LWLM7M3R120H | P | 23,640 | - | - |
製品についてのご質問やお困りごとなどお気軽にご相談ください!