コンパクトなモジュールタイプ
・トラックレールとスライドメンバーがセットになった最小単位のコンパクトな直動案内機器です。
共通仕様
| 形式 | リニアローラウェイM |
|---|---|
| 精度の等級 | 上級 |
日本トムソン
コンパクトなモジュールタイプ
・トラックレールとスライドメンバーがセットになった最小単位のコンパクトな直動案内機器です。
| 形式 | リニアローラウェイM |
|---|---|
| 精度の等級 | 上級 |
51件の型式
| 型式 | 大きさ |
スライドメンバー の個数 |
トラックレール の長さ (mm) |
基本動 定格荷重 (N) |
基本静 定格荷重 (N) |
アッセンブリ寸法(mm) | スライドメンバー寸法(mm) |
スライドメンバー 取付け用添付ボルト ねじの呼び×l |
トラックレール寸法(mm) |
トラックレール 取付け用添付ボルト ねじの呼び×l |
質量 | |||||||||||||||||||||||
|---|---|---|---|---|---|---|---|---|---|---|---|---|---|---|---|---|---|---|---|---|---|---|---|---|---|---|---|---|---|---|---|---|---|---|
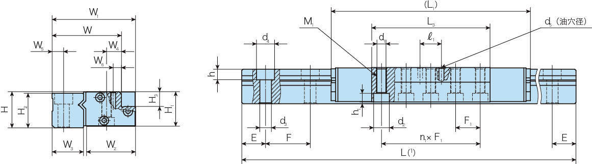
| H | W | W1 | H1 | H3 | W2 | W4 | L1 | L3 | n×F1 | M1 | d1 | d2 | h1 | W6 | l1 | d5 | H2 | W3 | W5 | d3 | d4 | h | E | F | スライドメンバー (kg) | トラックレール (kg/m) | ||||||||
| LRWM2M1R480H | 2 | 1 | 480 | 9700 | 10800 | 19 | 33 | 39.6 | 18 | 7.5 | 22.9 | 8 | 105 | 63 | 4×12 | M5 | 4.4 | 8 | 4.1 | 4 | 10 | 3 | M4×20 | 18 | 15 | 6 | 6 | 9.5 | 5.4 | 30 | 60 | M5×20 | 0.26 | 1.98 |
| LRWM2M1R660H | 2 | 1 | 660 | 9700 | 10800 | 19 | 33 | 39.6 | 18 | 7.5 | 22.9 | 8 | 105 | 63 | 4×12 | M5 | 4.4 | 8 | 4.1 | 4 | 10 | 3 | M4×20 | 18 | 15 | 6 | 6 | 9.5 | 5.4 | 30 | 60 | M5×20 | 0.26 | 1.98 |
| LRWM2M1R840H | 2 | 1 | 840 | 9700 | 10800 | 19 | 33 | 39.6 | 18 | 7.5 | 22.9 | 8 | 105 | 63 | 4×12 | M5 | 4.4 | 8 | 4.1 | 4 | 10 | 3 | M4×20 | 18 | 15 | 6 | 6 | 9.5 | 5.4 | 30 | 60 | M5×20 | 0.26 | 1.98 |
| LRWM2M1R1800H | 2 | 1 | 1800 | 9700 | 10800 | 19 | 33 | 39.6 | 18 | 7.5 | 22.9 | 8 | 105 | 63 | 4×12 | M5 | 4.4 | 8 | 4.1 | 4 | 10 | 3 | M4×20 | 18 | 15 | 6 | 6 | 9.5 | 5.4 | 30 | 60 | M5×20 | 0.26 | 1.98 |
| LRWM2M2R480H | 2 | 2 | 480 | 9700 | 10800 | 19 | 33 | 39.6 | 18 | 7.5 | 22.9 | 8 | 105 | 63 | 4×12 | M5 | 4.4 | 8 | 4.1 | 4 | 10 | 3 | M4×20 | 18 | 15 | 6 | 6 | 9.5 | 5.4 | 30 | 60 | M5×20 | 0.26 | 1.98 |
| LRWM2M2R660H | 2 | 2 | 660 | 9700 | 10800 | 19 | 33 | 39.6 | 18 | 7.5 | 22.9 | 8 | 105 | 63 | 4×12 | M5 | 4.4 | 8 | 4.1 | 4 | 10 | 3 | M4×20 | 18 | 15 | 6 | 6 | 9.5 | 5.4 | 30 | 60 | M5×20 | 0.26 | 1.98 |
| LRWM2M2R840H | 2 | 2 | 840 | 9700 | 10800 | 19 | 33 | 39.6 | 18 | 7.5 | 22.9 | 8 | 105 | 63 | 4×12 | M5 | 4.4 | 8 | 4.1 | 4 | 10 | 3 | M4×20 | 18 | 15 | 6 | 6 | 9.5 | 5.4 | 30 | 60 | M5×20 | 0.26 | 1.98 |
| LRWM2M2R1800H | 2 | 2 | 1800 | 9700 | 10800 | 19 | 33 | 39.6 | 18 | 7.5 | 22.9 | 8 | 105 | 63 | 4×12 | M5 | 4.4 | 8 | 4.1 | 4 | 10 | 3 | M4×20 | 18 | 15 | 6 | 6 | 9.5 | 5.4 | 30 | 60 | M5×20 | 0.26 | 1.98 |
| LRWM2M3R480H | 2 | 3 | 480 | 9700 | 10800 | 19 | 33 | 39.6 | 18 | 7.5 | 22.9 | 8 | 105 | 63 | 4×12 | M5 | 4.4 | 8 | 4.1 | 4 | 10 | 3 | M4×20 | 18 | 15 | 6 | 6 | 9.5 | 5.4 | 30 | 60 | M5×20 | 0.26 | 1.98 |
| LRWM2M3R660H | 2 | 3 | 660 | 9700 | 10800 | 19 | 33 | 39.6 | 18 | 7.5 | 22.9 | 8 | 105 | 63 | 4×12 | M5 | 4.4 | 8 | 4.1 | 4 | 10 | 3 | M4×20 | 18 | 15 | 6 | 6 | 9.5 | 5.4 | 30 | 60 | M5×20 | 0.26 | 1.98 |
| 型式 | 商品コード | 単位 |
価格 (円) |
基準納期 | |
|---|---|---|---|---|---|
| 日伝 | メーカー | ||||
| LRWM2M1R480H | LRWM2M1R480H | P | 37,100 | - | - |
| LRWM2M1R660H | LRWM2M1R660H | P | 43,050 | - | - |
| LRWM2M1R840H | LRWM2M1R840H | P | 49,230 | - | - |
| LRWM2M1R1800H | LRWM2M1R1800H | P | 83,180 | - | - |
| LRWM2M2R480H | LRWM2M2R480H | P | 57,100 | - | - |
| LRWM2M2R660H | LRWM2M2R660H | P | 63,050 | - | - |
| LRWM2M2R840H | LRWM2M2R840H | P | 69,230 | - | - |
| LRWM2M2R1800H | LRWM2M2R1800H | P | 103,180 | - | - |
| LRWM2M3R480H | LRWM2M3R480H | P | 77,100 | - | - |
| LRWM2M3R660H | LRWM2M3R660H | P | 83,050 | - | - |
製品についてのご質問やお困りごとなどお気軽にご相談ください!