カチオン電着塗装
-
カチオン電着塗装
-
無電解ニッケルメッキ
-
SUS304
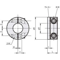
簡単に脱着可能なセパレートタイプ。
・機械の組立時やメンテナンス時に便利なセパレート構造のセットカラーです。
・スラスト力が強く、シャフトに傷が付きにくいタイプです。
・ウレタンを貼り付けた、ストッパーに最適なセパレートカラーです。ウレタンにより衝撃音を低減します。
共通仕様
| 材質/表面処理 | SCSS-ZD:鉄(S45C)/カチオン電着塗装 SCSS-MD:鉄(S45C)/無電解ニッケルメッキ SCSS-SD:ステンレス(SUS304) |
|---|---|
| ダンパー材質 | ウレタン |
| 付属品 | SCSS-ZD:六角穴付ボルト(黒染め)2本 SCSS-MD・SCSS-SD:六角穴付ボルト(SUSXM7)2本 |

