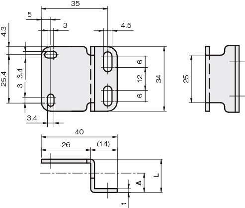
SUS304
-
SUS304
-
SPCC
共通仕様
| タイプ | CZ-LWタイプ |
|---|---|
| 対応センサ | SUNX:CX・EQ 山武:HPB オプテックスFA:Z オムロン:E3Z キーエンス:PZ |
| 材質 | FSCZLW-S:ステンレス(SUS304) FSCZLW-Z:鉄(SPCC)/カチオン電着塗装 |
| 付属品 | SUS304:セムスビス(SUSXM7)M3×12 2本 SPCC:セムスビス(黒色クロメート:三価)M3×12 2本 |

