SUS304
-
SUS304
-
SPCC
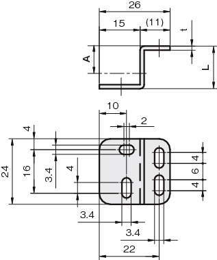
共通仕様
| タイプ | E2-LWタイプ |
|---|---|
| 対応センサ | SUNX:EX-20 竹中電子:UM |
| 材質 | FSE2LW-S:ステンレス(SUS304) FSE2LW-Z:鉄(SPCC)/カチオン電着塗装 |
| 付属品 | SUS304:セムスビス(SUSXM7)M3×14 2本 SUS304:ナット(SUSXM7)M3 2個 SPCC:セムスビス(黒色クロメート:三価)M3×14 2本 SPCC:ナット(黒色クロメート:三価)M3 2個 |

