モノづくりの困ったを解決する総合サイト

Produced by

岩田製作所

センサブラケット(光電センサ用)|E3-SYタイプ(右90°角度付) FSE3SY

SUS304

  • SUS304

  • SPCC

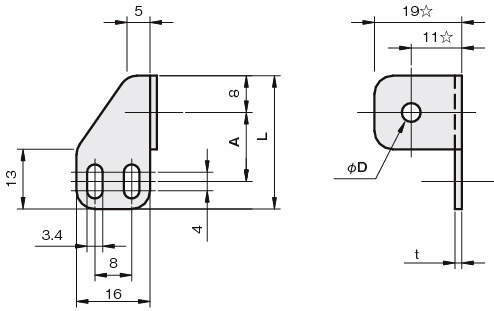
共通仕様

タイプ E3-SYタイプ(右90°角度付)
対応センサ SUNX:EX-30
材質 FSE3SY-S:ステンレス(SUS304)
FSE3SY-Z:鉄(SPCC)/カチオン電着塗装

CADメーカーTOP

詳細仕様

  • 8件中 1-8件

  • 表示件数

8件の型式

型式 対応センサ 材質 基準寸法
A
(mm)
寸法(mm) 質量
(g)
φD L t
FSE3SY015-R4S EX-31(M4) SUS304 15 φ4.1 29 1.5 9
FSE3SY020-R4S EX-31(M4) SUS304 20 φ4.1 34 1.5 10
FSE3SY030-R4S EX-31(M4) SUS304 30 φ4.1 44 1.5 12
FSE3SY020-R4Z EX-31(M4) SPCC 20 φ4.1 34 2.0 10
FSE3SY015-R6S EX-32(M6) SUS304 15 φ6.1 29 1.5 9
FSE3SY020-R6S EX-32(M6) SUS304 20 φ6.1 34 1.5 10
FSE3SY030-R6S EX-32(M6) SUS304 30 φ6.1 44 1.5 11
FSE3SY020-R6Z EX-32(M6) SPCC 20 φ6.1 34 2.0 10

型式 商品コード 単位 価格
(円)
基準納期
日伝 メーカー
FSE3SY015-R4S FSE3SY015-R4S P 440 - 在庫品
FSE3SY020-R4S FSE3SY020-R4S P 440 - 在庫品
FSE3SY030-R4S FSE3SY030-R4S P 450 - 在庫品
FSE3SY020-R4Z FSE3SY020-R4Z P 420 - 在庫品
FSE3SY015-R6S FSE3SY015-R6S P 440 - 在庫品
FSE3SY020-R6S FSE3SY020-R6S P 440 - 在庫品
FSE3SY030-R6S FSE3SY030-R6S P 450 - 在庫品
FSE3SY020-R6Z FSE3SY020-R6Z P 420 - 在庫品

この製品を見た人はこのような製品も見ています

1952年設立で、動力伝導機器・産業機器・制御機器等の機械設備及び機械器具関連製品の販売をしている専門総合商社です。
日本国内で40以上の拠点を持ち、信頼性の高い製品と技術力で、全国のものづくりに携わる方々のあらゆるお困りごとを解決しています。

Loading...