SUS304
-
SUS304
-
SPCC
共通仕様
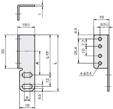
| タイプ | RB-FY |
|---|---|
| 対応センサ | SUNX:RF-210 山武:FE-RR20 オムロン:E39-R3 キーエンス:R5 |
| 材質 | FSRBFY-S:ステンレス(SUS304) FSRBFY-Z:鉄(SPCC)/カチオン電着塗装 |
| 付属品 | SUS304:セムスビス(SUSXM7)M3×12 2本 SPCC:セムスビス(黒色クロメート:三価)M3×12 2本 |

