モノづくりの困ったを解決する総合サイト

Produced by

岩田製作所

センサブラケット(反射板用)|RC-Sタイプ(ストレート) FSRCSX

SUS304

  • SUS304

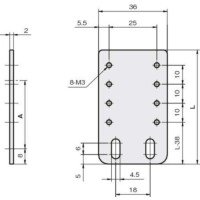
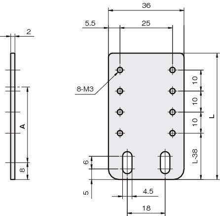
共通仕様

タイプ RB-SX
対応センサ SUNX:RF-220
山武:FE-RR18
オムロン:E39-R9
材質 ステンレス(SUS304)
付属品 セムスビス(SUSXM7)M3×8 2本

CADメーカーTOP

詳細仕様

  • 2件中 1-2件

  • 表示件数

2件の型式

型式 材質 基準寸法
A
(mm)
寸法
L
(mm)
質量
(g)
FSRCSX035-S SUS304 35 60 30
FSRCSX055-S SUS304 55 80 42

型式 商品コード 単位 価格
(円)
基準納期
日伝 メーカー
FSRCSX035-S FSRCSX035-S P 960 - 在庫品
FSRCSX055-S FSRCSX055-S P 1,070 - 在庫品

この製品を見た人はこのような製品も見ています

1952年設立で、動力伝導機器・産業機器・制御機器等の機械設備及び機械器具関連製品の販売をしている専門総合商社です。
日本国内で40以上の拠点を持ち、信頼性の高い製品と技術力で、全国のものづくりに携わる方々のあらゆるお困りごとを解決しています。

Loading...