モノづくりの困ったを解決する総合サイト

Produced by

岩田製作所

センサブラケット(光ファイバセンサ用)|ストレートタイプ FS-ST

SUS304

  • SUS304

  • SPCC

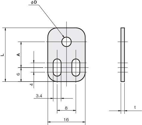
共通仕様

材質 FS-ST-S:ステンレス(SUS304)
FS-ST-Z:鉄(SPCC)/カチオン電着塗装

CADメーカーTOP

詳細仕様

  • 26件中 1-10件

  • 表示件数

26件の型式

型式 対応センサ
サイズ
材質 基準寸法
A
(mm)
寸法(mm) 質量
(g)
φD L t
FS03ST010-S M3 SUS304 10 3.1 21 1.5 5
FS03ST015-S M3 SUS304 15 3.1 26 1.5 6
FS03ST020-S M3 SUS304 20 3.1 31 1.5 7
FS03ST025-S M3 SUS304 25 3.1 36 1.5 8
FS03ST030-S M3 SUS304 30 3.1 41 1.5 11
FS03ST010-Z M3 SPCC 10 3.1 21 2.0 5
FS03ST015-Z M3 SPCC 15 3.1 26 2.0 6
FS03ST020-Z M3 SPCC 20 3.1 31 2.0 7
FS04ST011-S M4 SUS304 11 4.1 23 1.5 5
FS04ST016-S M4 SUS304 16 4.1 28 1.5 6

型式 商品コード 単位 価格
(円)
基準納期
日伝 メーカー
FS03ST010-S FS03ST010-S P 310 - 在庫品
FS03ST015-S FS03ST015-S P 310 - 在庫品
FS03ST020-S FS03ST020-S P 310 - 在庫品
FS03ST025-S FS03ST025-S P 320 - 在庫品
FS03ST030-S FS03ST030-S P 320 - 在庫品
FS03ST010-Z FS03ST010-Z P 280 - 在庫品
FS03ST015-Z FS03ST015-Z P 290 - 在庫品
FS03ST020-Z FS03ST020-Z P 290 - 在庫品
FS04ST011-S FS04ST011-S P 310 在庫品 在庫品
FS04ST016-S FS04ST016-S P 310 在庫品 在庫品

この製品を見た人はこのような製品も見ています

1952年設立で、動力伝導機器・産業機器・制御機器等の機械設備及び機械器具関連製品の販売をしている専門総合商社です。
日本国内で40以上の拠点を持ち、信頼性の高い製品と技術力で、全国のものづくりに携わる方々のあらゆるお困りごとを解決しています。

Loading...