共通仕様
| 材質 | アルミ(A6063BE) |
|---|---|
| 付属品 | 六角穴付ボルト(SUSXM7)M3×10 1本 |
岩田製作所
3件の型式
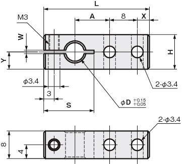
| 型式 |
対応センサ サイズ |
材質 |
基準寸法 A (mm) |
寸法(mm) |
質量 (g) |
||||||
|---|---|---|---|---|---|---|---|---|---|---|---|
| φD | L | H | X | Y | S | W | |||||
| FS03CV009-A | φ3 | アルミ | 9 | 3 | 28 | 8 | 3.5 | 4 | 12 | 1 | 5 |
| FS05CV010-A | φ5.4 | アルミ | 10 | 5.4 | 30.5 | 10 | 3.5 | 5 | 14.5 | 1 | 6 |
| FS08CV011-A | φ8 | アルミ | 11 | 8 | 33 | 13 | 4 | 6.5 | 17 | 1.5 | 8 |
| 型式 | 商品コード | 単位 |
価格 (円) |
基準納期 | |
|---|---|---|---|---|---|
| 日伝 | メーカー | ||||
| FS03CV009-A | FS03CV009-A | P | 1,450 | - | 在庫品 |
| FS05CV010-A | FS05CV010-A | P | 1,500 | - | 在庫品 |
| FS08CV011-A | FS08CV011-A | P | 1,510 | - | 在庫品 |
製品についてのご質問やお困りごとなどお気軽にご相談ください!