黒染め
-
黒染め
-
SUS304
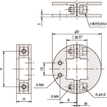
シャフト周辺の部品取り付けや固定に。
・セパレート構造のブラケットにより、シャフトへの後付けが可能です。
・機械の組立後や改造、メンテナンス時のセンサ取り付けなどに便利です。
・センサブラケットに対応。
共通仕様
| 材質/表面処理 | BS-CN2:鉄(SPCC/黒染め) BS-SN2:ステンレス(SUS304) |
|---|---|
| 付属品 | BS-CN2:六角穴付ボルト(SCM435/黒染め) BS-SN2:六角穴付ボルト(SUSXM7) |

